EasyManua.ls Logo

ProForm 785 TL - Page 34

ProForm 785 TL
36 pages
Print Icon
To Next Page IconTo Next Page
To Next Page IconTo Next Page
To Previous Page IconTo Previous Page
To Previous Page IconTo Previous Page
Loading...
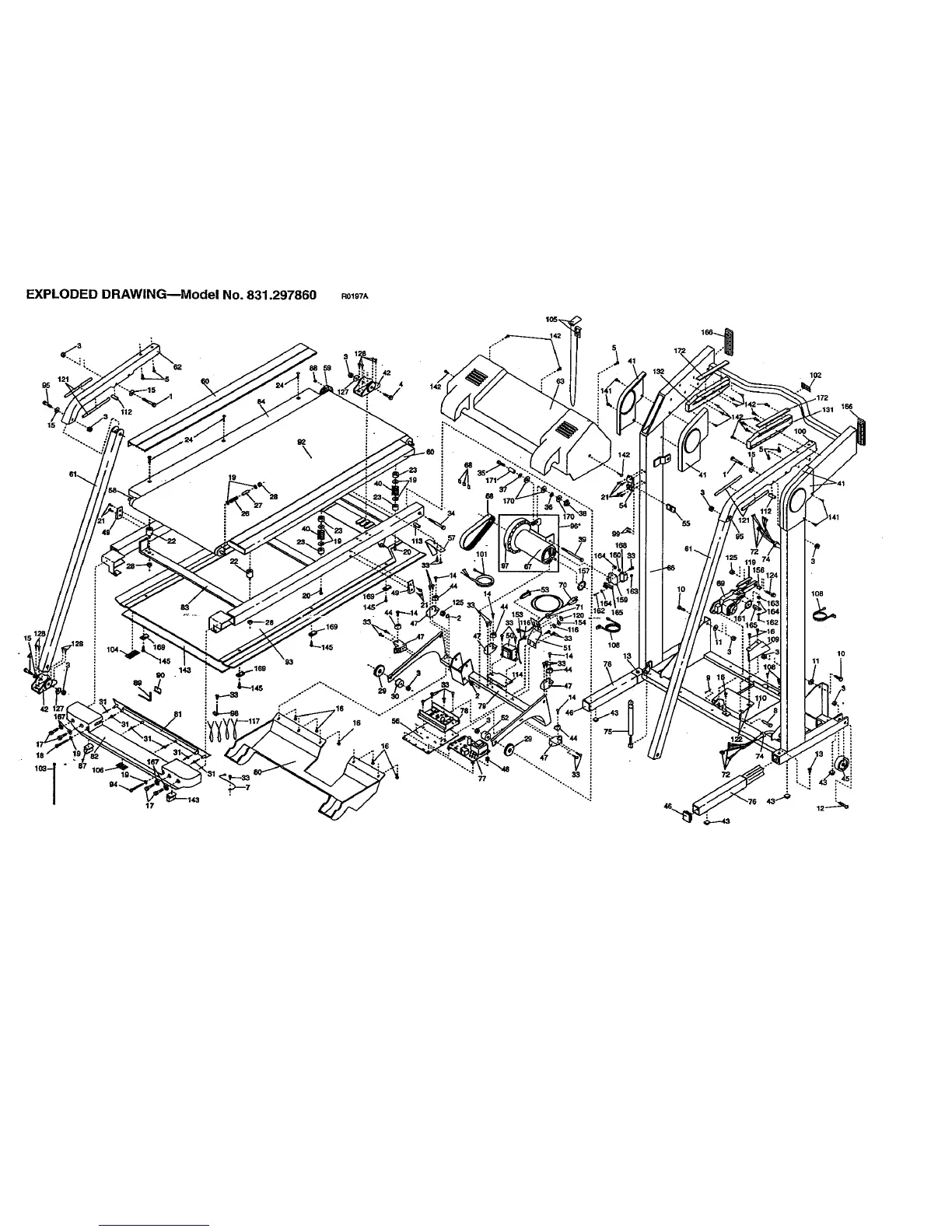
EXPLODEDDRAWING--Model No. 831.297860 R0197A
42
112
i
104 J 169
19
84
%
3
08 59
_o2]" -,_ .:'P'-'
17
16
68
lOl
77
41
72
119
166
108
10

Related product manuals