EasyManua.ls Logo

ProForm 795 - Page 28

ProForm 795
30 pages
Print Icon
To Next Page IconTo Next Page
To Next Page IconTo Next Page
To Previous Page IconTo Previous Page
To Previous Page IconTo Previous Page
Loading...
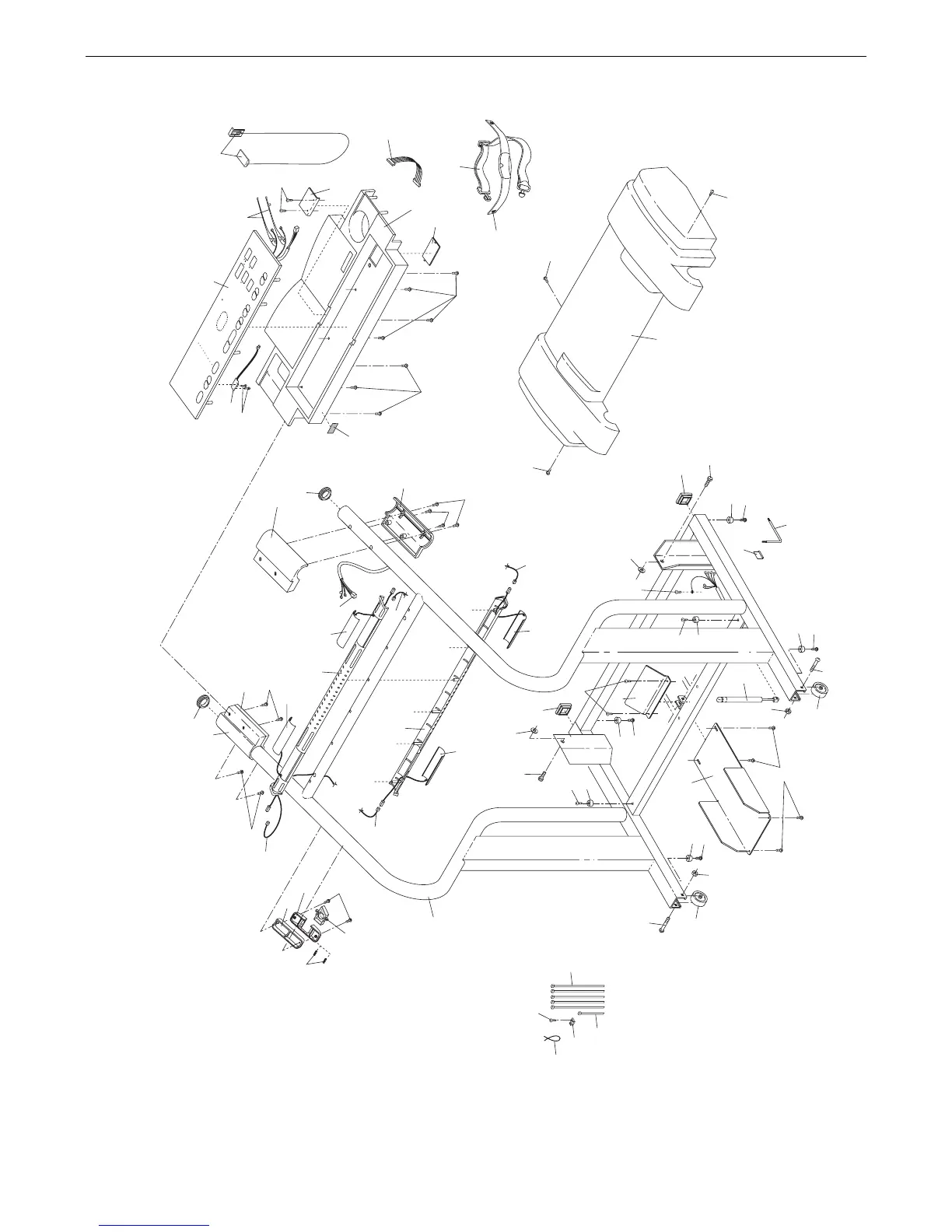
EXPLODED DRAWING—Model No. 831.297440 R1197A
96
22
96
22
98
15
94
94
4
4
4
93
103
22
68
69
4
91
4
87
113
88
86
90
22
100
96
22
19
101
101
96
22
100
19
85
78
104
105
79
81
81
81
81
82
82
22
22
22
15
113
61
107
106
71
111
112
99
70
72
72
117
96
22
96
22
4
73
76
75
74
119
83
83
95
95
77
89
102
22
22
97
22
EXPLODED DRAWING—Model No. 831.297440 R1197A

Related product manuals