EasyManua.ls Logo

ProForm 900 Elliptical - Page 25

ProForm 900 Elliptical
28 pages
Print Icon
To Next Page IconTo Next Page
To Next Page IconTo Next Page
To Previous Page IconTo Previous Page
To Previous Page IconTo Previous Page
Loading...
25
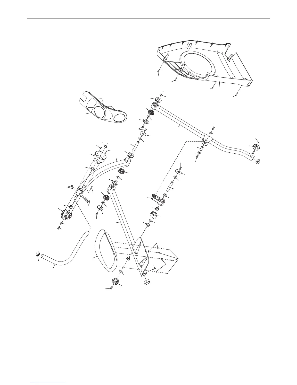
EXPLODED DRAWING A—Model No. PFEVEL96107.0 R0108A
89
71
96
84
81
80
18
19
41
79
93
41
8
10
11
87
88
88
14
13
60
60
93
37
28
93
60
60
41
41
42
82
85
7
12
22
24
34
35
41
82
82
83
83
93
30
54
60
82
31
32
31
82
41
82
79
86
79
79
33
49
46
83
83
83
83
83
79

Other manuals for ProForm 900 Elliptical

Related product manuals