EasyManua.ls Logo

Protherm Ray - Boiler and Tank Suite Operation; System Wiring Diagram

Protherm Ray
Print Icon
To Next Page IconTo Next Page
To Next Page IconTo Next Page
To Previous Page IconTo Previous Page
To Previous Page IconTo Previous Page
Loading...
22
EN
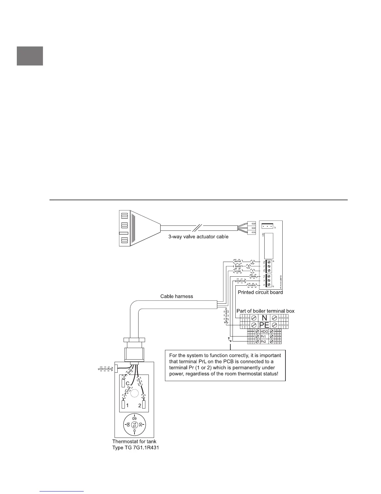
Wiring diagram
Turning the boiler – tank suite on
Open the heating system shutting valves (boiler and tank).
By turning on the boiler top-up valve, increase the heating system water pressure to the
recommended value (1.2 – 1.6 bar).
Open the tank hot water shutting valves and then open a hot water tap. Wait until a con-
tinuous stream of water flows out of the tap and then turn the tap off.
Turn the boiler on and set the temperature on the operation thermostat to the maximum
value (85˚C).
Important: The hot water tank heating time increases with the decreasing heating water
temperature.
Always set the temperature on the tank operation thermostat by about 10 ˚C lower than
the required temperature.
Check if the whole system (boiler, tank and entire interconnection) functions correctly.

Related product manuals