EasyManua.ls Logo

Protherm Ray - Ray 6 K-24 K B 120 S Electrical Diagram

Protherm Ray
Print Icon
To Next Page IconTo Next Page
To Next Page IconTo Next Page
To Previous Page IconTo Previous Page
To Previous Page IconTo Previous Page
Loading...
23
EN
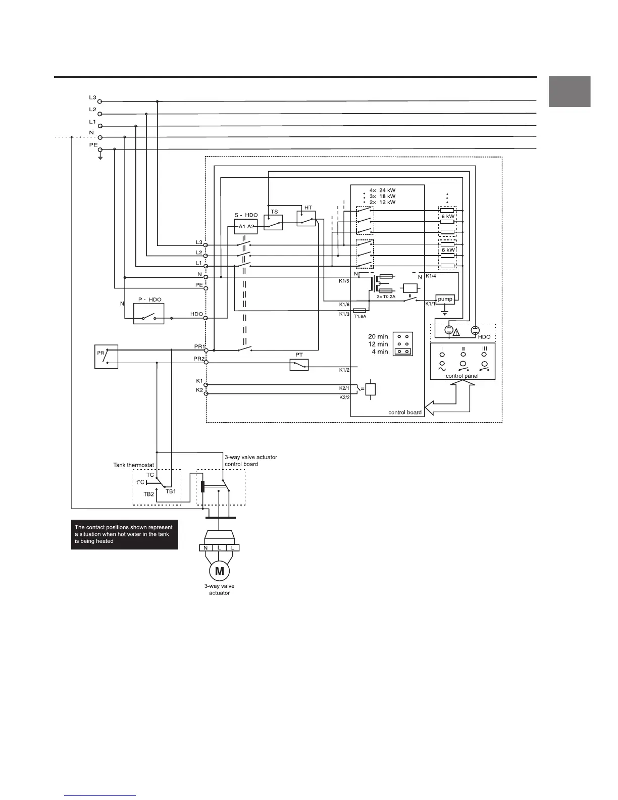
Functional electrical diagram of Ray 6K – 24K and B 120 S tank suite
TS - 0.8 bar pressure sensor
HT - 100˚C emergency thermostat
PT - operation thermostat, max. 85˚C
PR1, PR2 - terminals for connecting a room control unit (230V/0.1A)
HDO - terminal for connecting HDO
S-HDO - contactor

Related product manuals