EasyManua.ls Logo

Proxxon CU 4 - Schaltplan; Anhang

Proxxon CU 4
Print Icon
To Next Page IconTo Next Page
To Next Page IconTo Next Page
To Previous Page IconTo Previous Page
To Previous Page IconTo Previous Page
Loading...
11
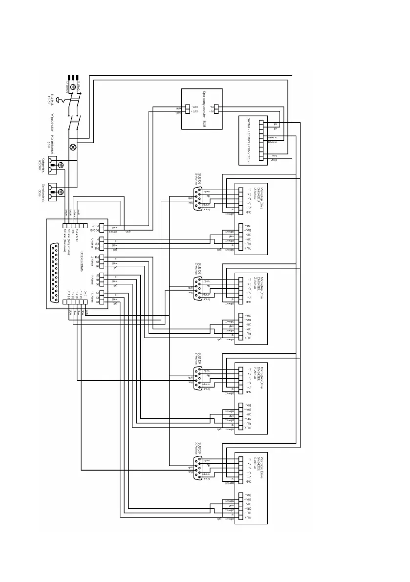
16. Anhang
16.1. Schaltplan