EasyManua.ls Logo

Proxxon CU 4 - Appendix; Circuit Diagram

Proxxon CU 4
Print Icon
To Next Page IconTo Next Page
To Next Page IconTo Next Page
To Previous Page IconTo Previous Page
To Previous Page IconTo Previous Page
Loading...
21
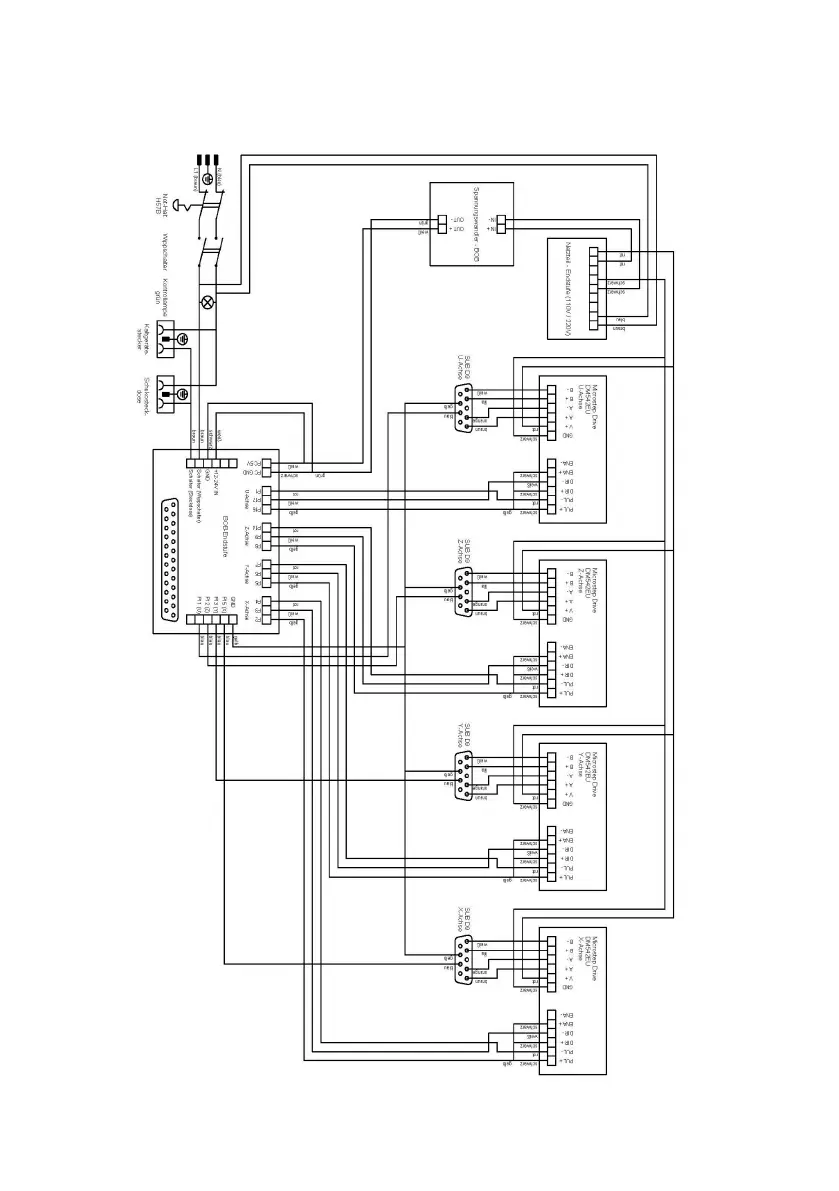
16. Appendix
16.1. Circuit diagram