EasyManua.ls Logo

PTI security systems Falcon XT - Power Connections (International)

PTI security systems Falcon XT
64 pages
Print Icon
To Next Page IconTo Next Page
To Next Page IconTo Next Page
To Previous Page IconTo Previous Page
To Previous Page IconTo Previous Page
Loading...
ChapTEr 2: INSTallaTION
33
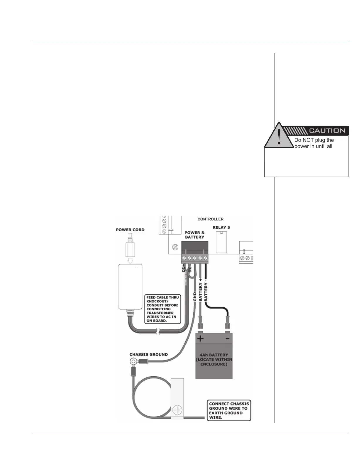
Power Connections (International)
Power connections can be made during initial setup to ensure that
all electrical connections are working correctly, but power should be
disconnected until all AI devices are installed and connected and the
system is ready for testing. Never try to install or connect wire while
the power is connected to the system.
Connect the Power
1. Feed the pre-wired power terminal block through the
knockouts.
2. Plug the power terminal block in to the power and battery
terminal position.
3. Unscrew the bolt from the case chassis ground and place the
ring terminal of the ground wire over the screw. Screw the bolt
back down on top of the ring terminal to hold it in place.
Connect the Ground Wire
1. Strip back the
green ground
wire coiled
inside the case,
strip back about
½ inch from the
end near the
warning tag.
2. Use a wire nut
to connect the
green ground
wire to a ground
wire running
to a copper
grounding post
or grounded
water pipe as
per local code.
Do NOT plug the
power in until all
wiring is complete. Failure to
observe this warning can result
in electrical shock injury and/or
damage to electronics.
UNIVERSAL POWER
SUPPLY
OUTPUT:
24VDC, 2.5A MAX

Related product manuals