EasyManua.ls Logo

Qtx BUSKER-12 - Page 3

Qtx BUSKER-12
8 pages
Print Icon
To Next Page IconTo Next Page
To Next Page IconTo Next Page
To Previous Page IconTo Previous Page
To Previous Page IconTo Previous Page
Loading...
Busker User Manual
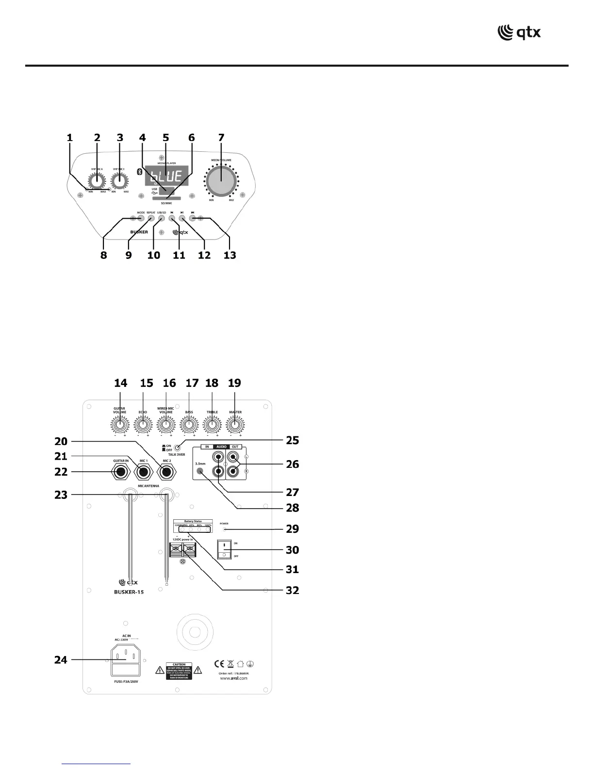
Front Panel
Rear Panel
1
VHF microphone indicators
2
VHF Mic A volume
3
VHF Mic B volume
4
USB port
5
LED display
6
SD/MMC card slot
7
USB/SD/FM/Bluetooth volume
8
Media player Mode select
9
Playback Repeat mode select
10
USB/SD memory device select
11
Previous track (hold seek reverse)
12
Play/Pause
13
Next track (hold seek forward)
14
Guitar input volume
15
Echo level
16
Wired mics volume
17
Bass EQ control
18
Treble EQ control
19
Master volume
20
Microphone 2 input jack
21
Microphone 1 input jack
22
Guitar input jack
23
VHF microphone antennas
24
IEC mains inlet & fuse
25
Microphone talk-over select
26
Line output L+R RCA
27
Line input L+R RCA
28
Line input stereo 3.5mm jack
29
Power indicator LED
30
Power on/off switch
31
Battery charging & level LEDs
32
D.C. power input terminals

Related product manuals