EasyManua.ls Logo

Quincy Compressor 310 - High Pressure

Quincy Compressor 310
40 pages
Print Icon
To Next Page IconTo Next Page
To Next Page IconTo Next Page
To Previous Page IconTo Previous Page
To Previous Page IconTo Previous Page
Loading...
QR 310 Quincy Compressor
50214-105, March 2005 11 3501 Wismann Lane, Quincy IL - 62305-3116
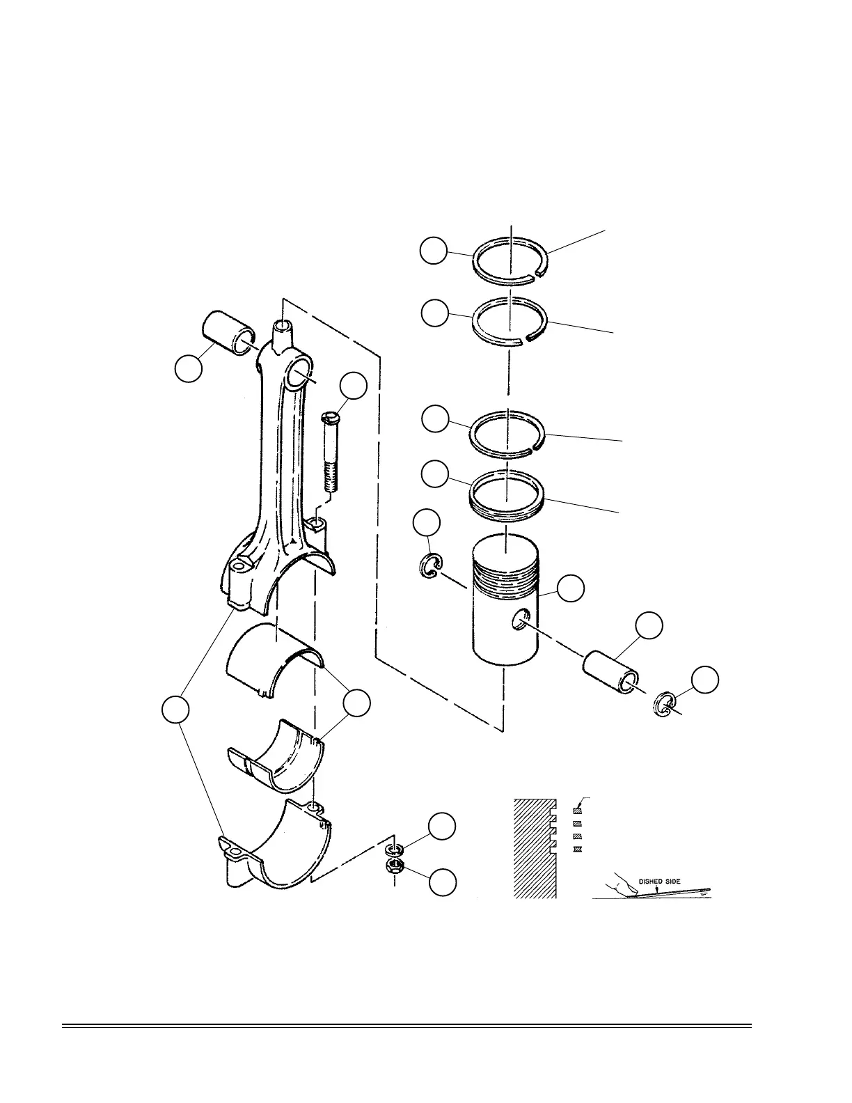
CONNECTING ROD & PISTON GROUP 110439CONNECTING ROD & PISTON GROUP 110439
CONNECTING ROD & PISTON GROUP 110439CONNECTING ROD & PISTON GROUP 110439
CONNECTING ROD & PISTON GROUP 110439
(high pressure)
4
Be sure to stagger ring gaps !
TOP
GROOVE
SECOND
GROOVE
THIRD
GROOVE
BOTTOM
GROOVE
6
6
6
5
2
4
1.2
1.3
1.1
7
1.4
8
3
Pip mark
or "T"
on top of ring

Related product manuals