EasyManua.ls Logo

Quincy Compressor 310 - Crankcase Group

Quincy Compressor 310
40 pages
Print Icon
To Next Page IconTo Next Page
To Next Page IconTo Next Page
To Previous Page IconTo Previous Page
To Previous Page IconTo Previous Page
Loading...
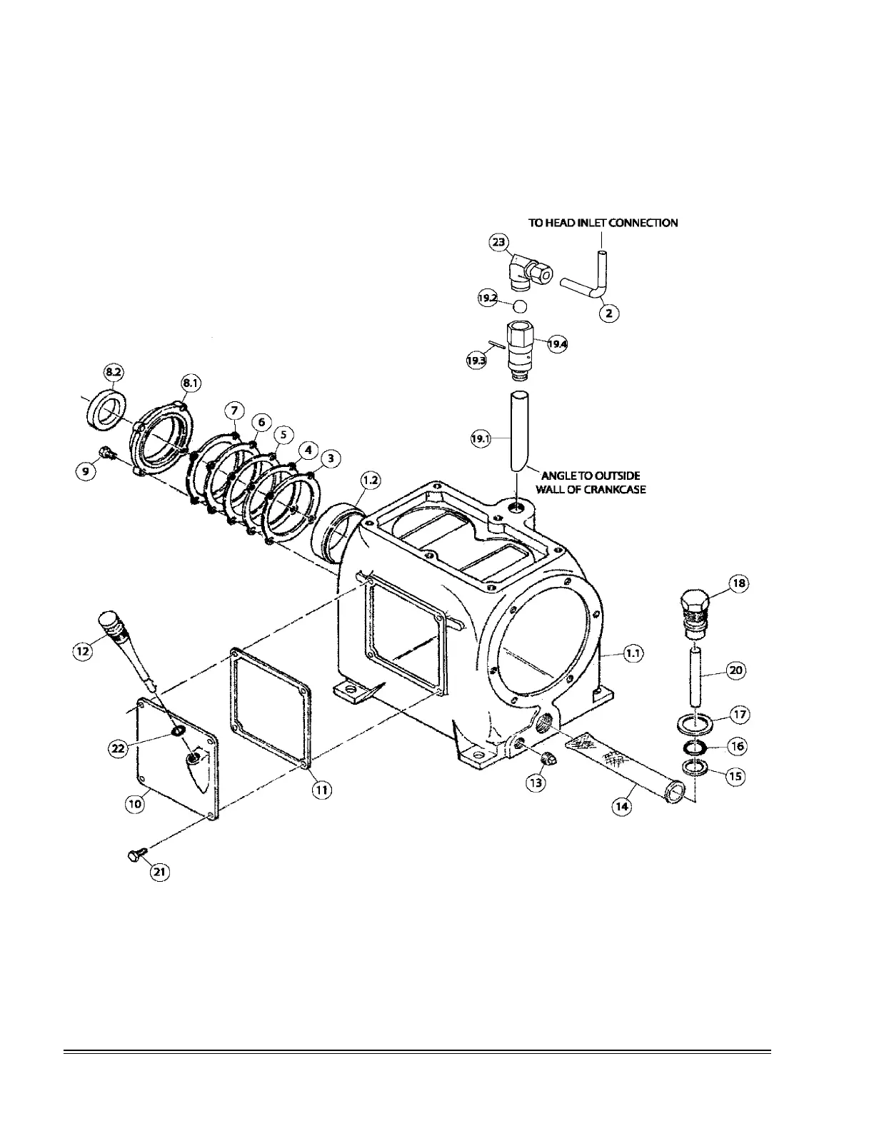
QR 310 Quincy Compressor
50214-105, March 2005 5 3501 Wismann Lane, Quincy IL - 62305-3116
CRANKCASE GROUP 110437-003CRANKCASE GROUP 110437-003
CRANKCASE GROUP 110437-003CRANKCASE GROUP 110437-003
CRANKCASE GROUP 110437-003

Related product manuals