EasyManua.ls Logo

Quincy Compressor QGD 40 - Air and Oil Circuit Explanation

Quincy Compressor QGD 40
114 pages
Print Icon
To Next Page IconTo Next Page
To Next Page IconTo Next Page
To Previous Page IconTo Previous Page
To Previous Page IconTo Previous Page
Loading...
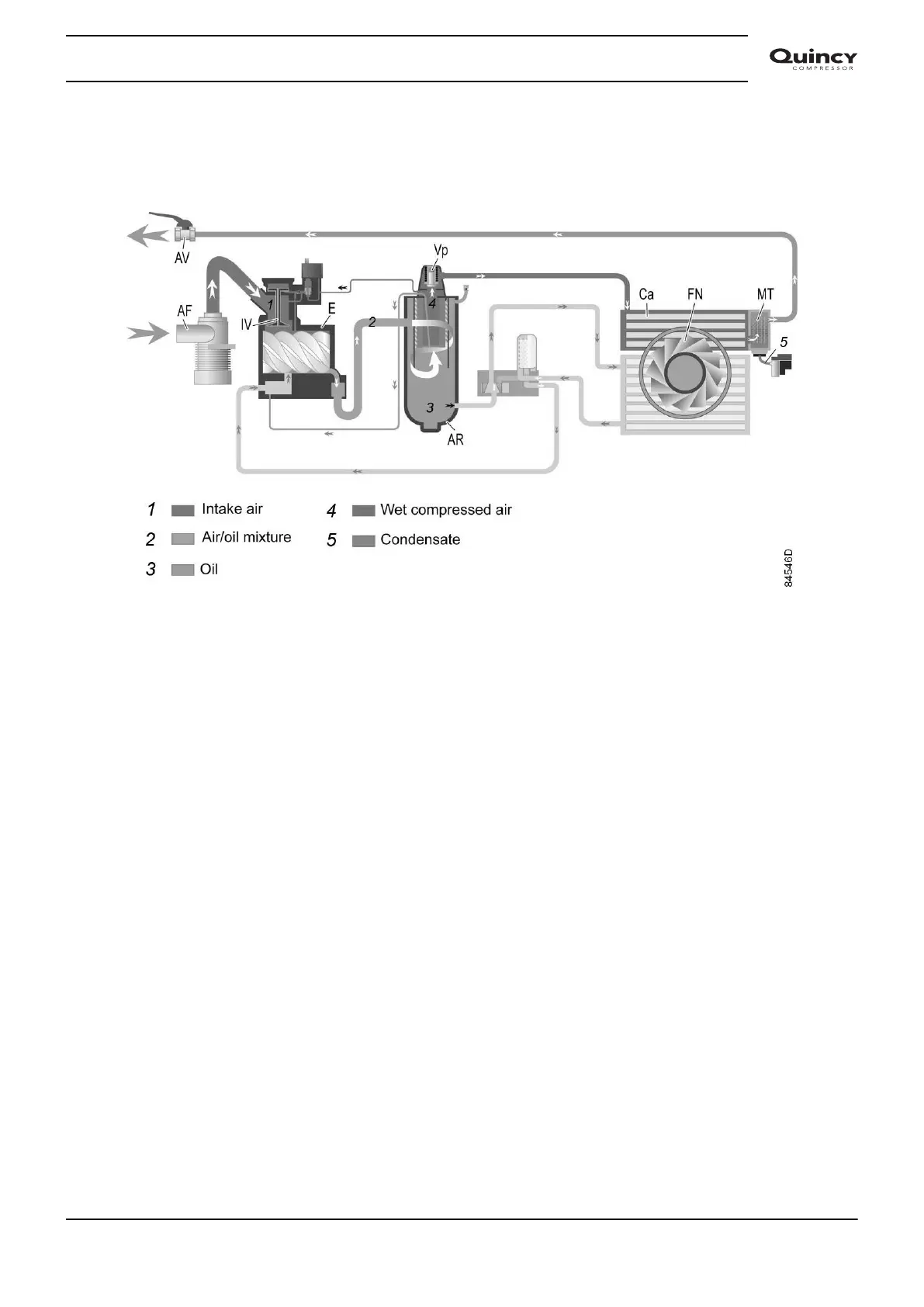
2.2 Air and oil circuit
Air circuit
Flow diagram, air circuit (compressors without integrated dryer)
Instruction book
2920 7190 02 17

Related product manuals