EasyManua.ls Logo

Radian RM-111 - Testing an Electronic Standard (Potential Gating)

Radian RM-111
97 pages
Print Icon
To Next Page IconTo Next Page
To Next Page IconTo Next Page
To Previous Page IconTo Previous Page
To Previous Page IconTo Previous Page
Loading...
RM-111 Operations Manual
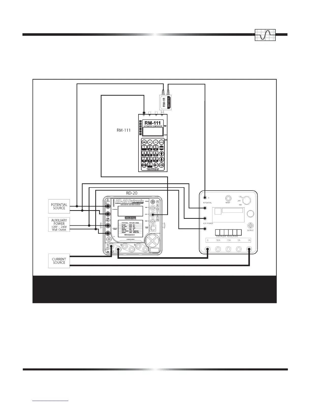
Figure 9.0 Testing an Electronic Standard (Potential Gating)
Application 5
Application 5
49

Table of Contents

Related product manuals