EasyManua.ls Logo

Rangemaster 110 Gas - 8 Circuit Diagram

Rangemaster 110 Gas
36 pages
Print Icon
To Next Page IconTo Next Page
To Next Page IconTo Next Page
To Previous Page IconTo Previous Page
To Previous Page IconTo Previous Page
Loading...
28
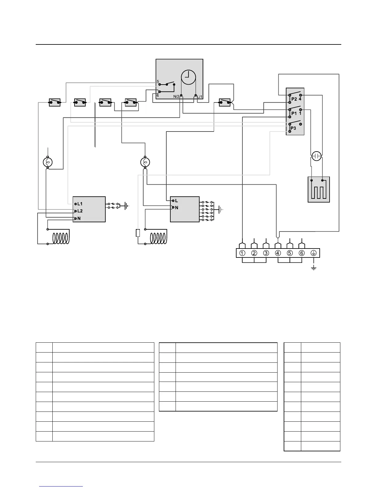
8. Circuit Diagram
LN
E
or
y
br
br brbr
br
br
br
v
br
w
y
y
r
oror
w
b
b
y
or
b
br
br
b
y
br
b
b
v
br
bb
r
b
b
br
br
br
y
y
y
r
b
b
b
r
r
bb
A1 A2 B1 B3
C
D1
F
A3
G
A4
D2
A5
B2 B4
H
Key
The connections shown in the circuit diagram are for single-phase. The ratings are for 230 V 50 Hz.
Code Colour
b Blue
br Brown
bk Black
or Orange
r Red
v Violet
w White
y Yellow
g/y Green/yellow
gr Grey
Code Description
A1 Right-hand oven thermostat switch
A2 Left-hand oven thermostat switch
A3 Oven spark generator
A4 Right-hand oven solenoid/FSD
A5 Left-hand oven solenoid/FSD
B1 Right-hand oven light switch
B2 Right-hand oven light
B3 Left-hand oven light switch
B4 Left-hand oven light
Code Description
C Clock
D1 Ignition switch
D2 Hotplate & grill spark generator
F Warmer plate switch
G Warmer
H Neon

Other manuals for Rangemaster 110 Gas

Related product manuals