EasyManua.ls Logo

Rangemaster Classic 60 - 10 Circuit Diagrams

Rangemaster Classic 60
32 pages
Print Icon
To Next Page IconTo Next Page
To Next Page IconTo Next Page
To Previous Page IconTo Previous Page
To Previous Page IconTo Previous Page
Loading...
26
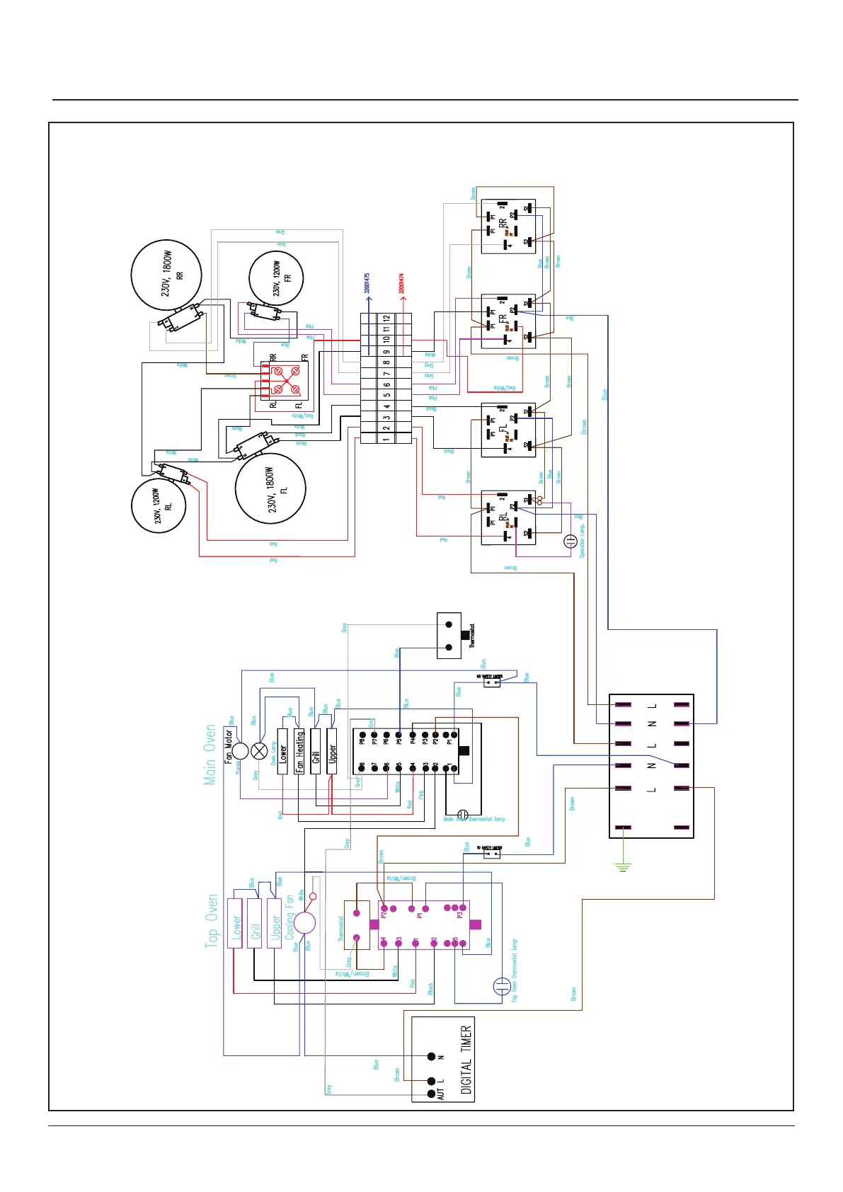
10. Circuit Diagrams

Related product manuals