EasyManua.ls Logo

Rangemaster Range Cooker - (Classic Deluxe & Professional Deluxe); Circuit Diagram: Multi-Function Oven

Rangemaster Range Cooker
44 pages
Print Icon
To Next Page IconTo Next Page
To Next Page IconTo Next Page
To Previous Page IconTo Previous Page
To Previous Page IconTo Previous Page
Loading...
34
6
P6
5 P5
4
P4
7 P7
8 P8
2
P2
1 P1
3 P3
2
3
4
1
P3
P2
P1
P4
P033458
2
3
4
1
P3
P2
P1
P4
P033458
P038434
E
LN
br
br
bk
b
w
o
br
bk
b
br
bk
bb
b
bk
b
br
br
br
br
b bb
bk
b
b
bb b
bk
v
v
v
w
b
y
o
y
br
br
y
y
y
y
v
v
r
r
br
br
br
b
r
r
b
bk
w
v
r
v
r
w
r
gr
w
bk
o
o
y
br
br
bk
b
v
b
b
br
br
br
o
w
y
b
b
b
r
o
b
b
b
br
w
b
bk
gr
w
v
w
b
br
b
br
br
b
A2
A1
B1
A3
B2a
B4
B2
B5
B6
B7
D2
G
D3
D4
I
H
G
F2
D1
I
K
C
B3
H
I
F1
H
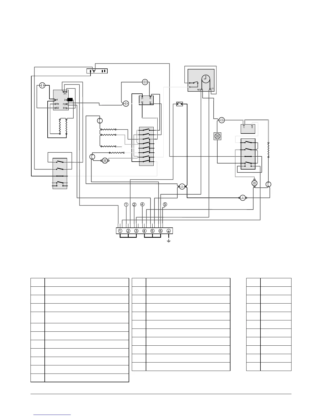
Circuit Diagram: Multi-function Oven (Classic Deluxe & Professional Deluxe)
Key
The connections shown in the circuit diagram are for single-phase. The ratings are for 230 V 50 Hz.
Code Description
A1 Grill front switch
A2 Grill energy regulator
A3 Grill elements
B1
Multi-function oven thermostat (Rapid
Heat)
B2 Multi-function oven switch
B2a Multi-function oven thermostat front switch
B3 Multi-function base element
B4 Multi-function oven top element (outer pr.)
B5 Multi-function oven top element (inner pr.)
B6 Multi-function fan element
B7 Multi-function oven fan
Code Description
C Clock
D1 Right-hand oven front switch
D2 Right-hand oven thermostat
D3 Right-hand fan oven element
D4 Right-hand oven fan
F1 Cooling fan
F2 Oven light switch
G Oven light(s)
H Thermal cut-out
I Neon
Code Colour
b Blue
br Brown
bk Black
or Orange
r Red
v Violet
w White
y Yellow
g/y Green/yellow
gr Grey

Related product manuals