EasyManua.ls Logo

Ransomes Commander 3510 - Page 76

Ransomes Commander 3510
Print Icon
To Next Page IconTo Next Page
To Next Page IconTo Next Page
To Previous Page IconTo Previous Page
To Previous Page IconTo Previous Page
Loading...
GB-NL-F-74
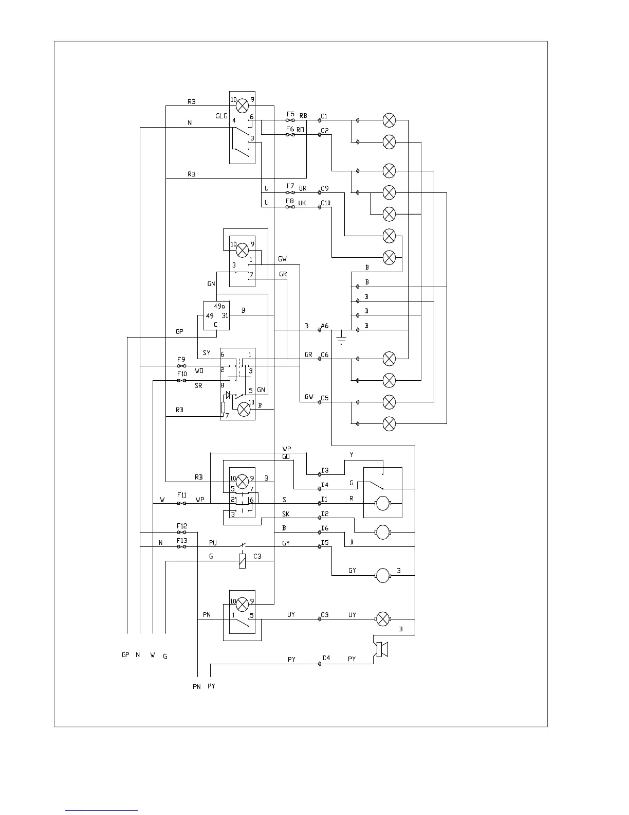
Fig.51
6
2
3
4
5
1
7
8
9
10
11
12
13
14
15
16
17
18
19
20
22
21
23
24

Related product manuals