EasyManua.ls Logo

Ransomes M48 - Engine Fittings and Guards

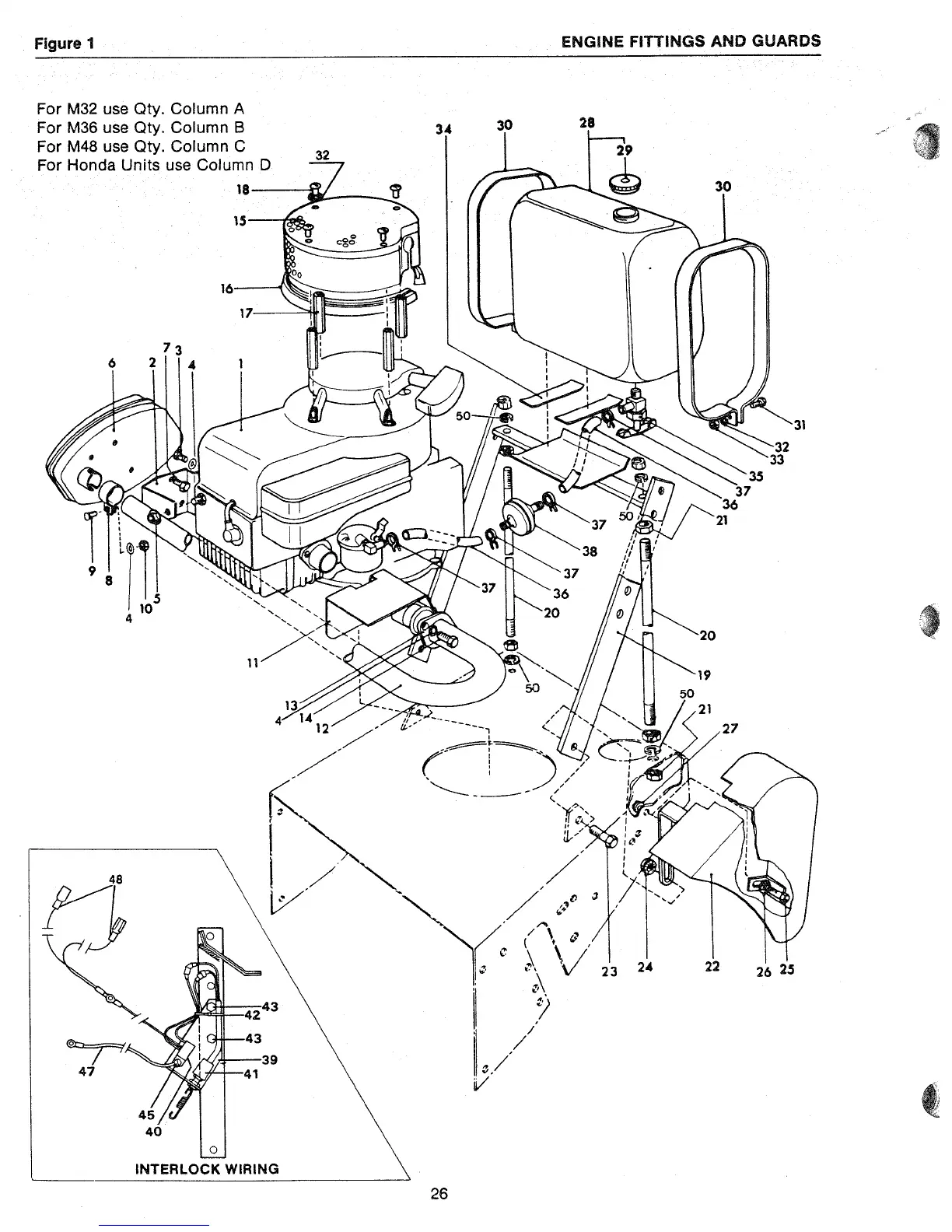
Ransomes M48
54 pages
Print Icon
To Next Page IconTo Next Page
To Next Page IconTo Next Page
To Previous Page IconTo Previous Page
To Previous Page IconTo Previous Page
Loading...

Related product manuals