EasyManua.ls Logo

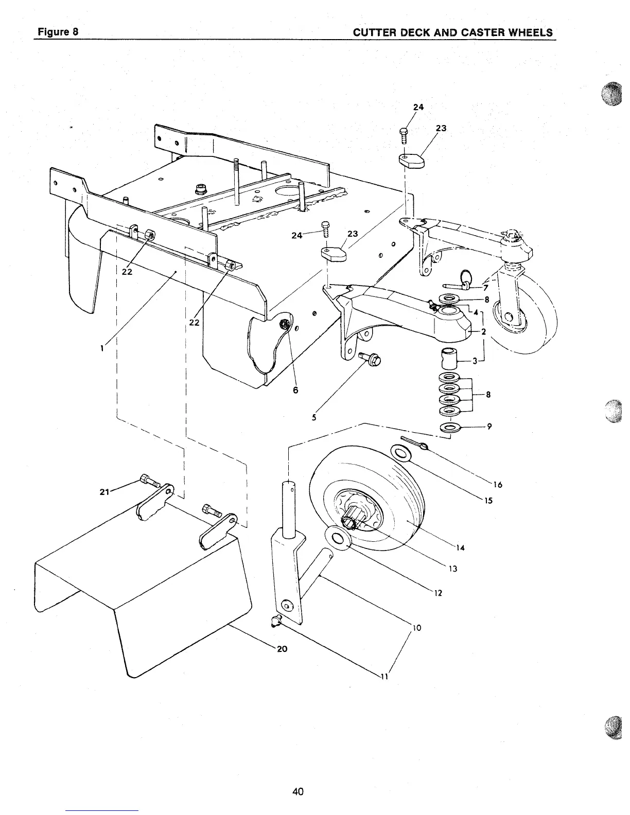
Ransomes M48 - Cutter Deck and Caster Wheels

Ransomes M48
54 pages
Print Icon
To Next Page IconTo Next Page
To Next Page IconTo Next Page
To Previous Page IconTo Previous Page
To Previous Page IconTo Previous Page
Loading...

Related product manuals