EasyManua.ls Logo

Ransomes T-Plex 180 - Page 62

Ransomes T-Plex 180
160 pages
Print Icon
To Next Page IconTo Next Page
To Next Page IconTo Next Page
To Previous Page IconTo Previous Page
To Previous Page IconTo Previous Page
Loading...
GB-F-NL-60
T-PLEX 180
OPERATORS MANUAL
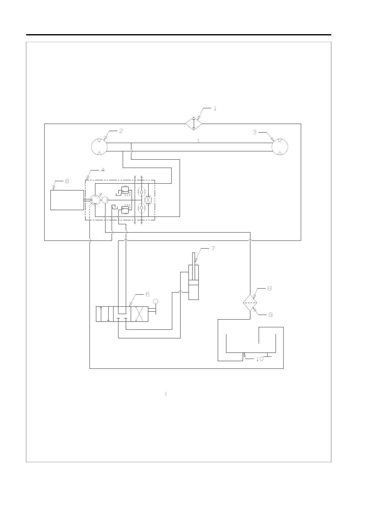
Fig.35

Related product manuals