EasyManua.ls Logo

Rapid Engineering BH-40 - Low Voltage Thermostat Wiring

Default Icon
68 pages
Print Icon
To Next Page IconTo Next Page
To Next Page IconTo Next Page
To Previous Page IconTo Previous Page
To Previous Page IconTo Previous Page
Loading...
BH-SERIES INSTALLATION, OPERATION AND SERVICE MANUAL
44 of 59
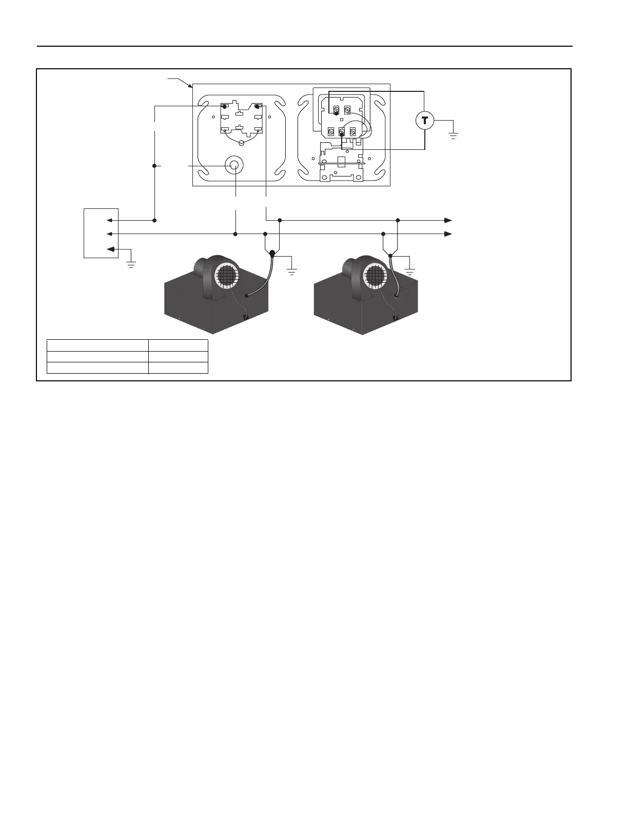
10.2 Low Voltage Thermostat Wiring
R
C
W
G
Y
1
2
3
4
5
6
COIL
L1
L2
Gnd.
N
H
Gnd.
N
H
Gnd.
Additional
Burners
120 V-60 Hz
Supply Circuit
Low Voltage Thermostat
Burner 1
Burner 2
Maximum 8 Burners
Per Relay
Black
SPST Transformer Relay
Black
Red
White
COIL
FRONT VIEW BACK VIEW
Description Part Number
SPST Transformer Relay 90417600K
Low Voltage Thermostat 90425100

Table of Contents

Other manuals for Rapid Engineering BH-40