EasyManua.ls Logo

Rapid RH25L - Ⅲ. Průvodce Provozem; LED Ovladač; Trvalé Zobrazení

Rapid RH25L
73 pages
Print Icon
To Next Page IconTo Next Page
To Next Page IconTo Next Page
To Previous Page IconTo Previous Page
To Previous Page IconTo Previous Page
Loading...
31
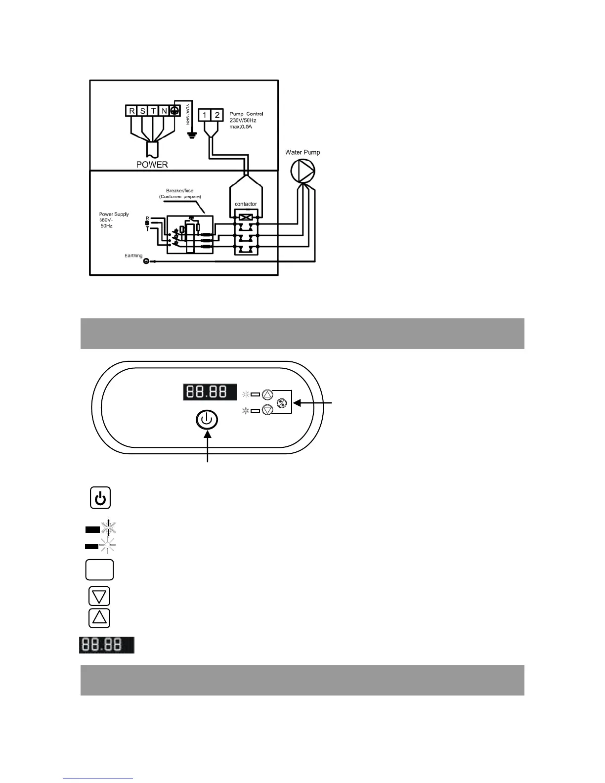
. Průvodce provozem
LED ovladač
Trvalé zobrazení
Displej zobrazuje teplotu vody i když je tepelné čerpadlo vypnuté.
MODE
Down Nastavení požadované teploty (posun dolů)
UP Nastavení požadované teploty (posun nahoru)
LED displej Ukazuje teplotu a kód poruchy stroje
Zapnutí/vypnutí přístroje
COOL Ukazatel režimu chlazení (pouze modely topení i chlazení)
HEAT Ukazatel režimu topení
MODE Tlačítko pro volbu režimu topení nebo chlazení (pouze modely topení i
chlazení)
Nastavení teploty
Nastavení topení / chlazení
Power On/
Off

Table of Contents