EasyManua.ls Logo

Rath SmartRescue 10 - Powering Emergency Phone Options

Default Icon
14 pages
To Next Page IconTo Next Page
To Next Page IconTo Next Page
To Previous Page IconTo Previous Page
To Previous Page IconTo Previous Page
Loading...
Page 7
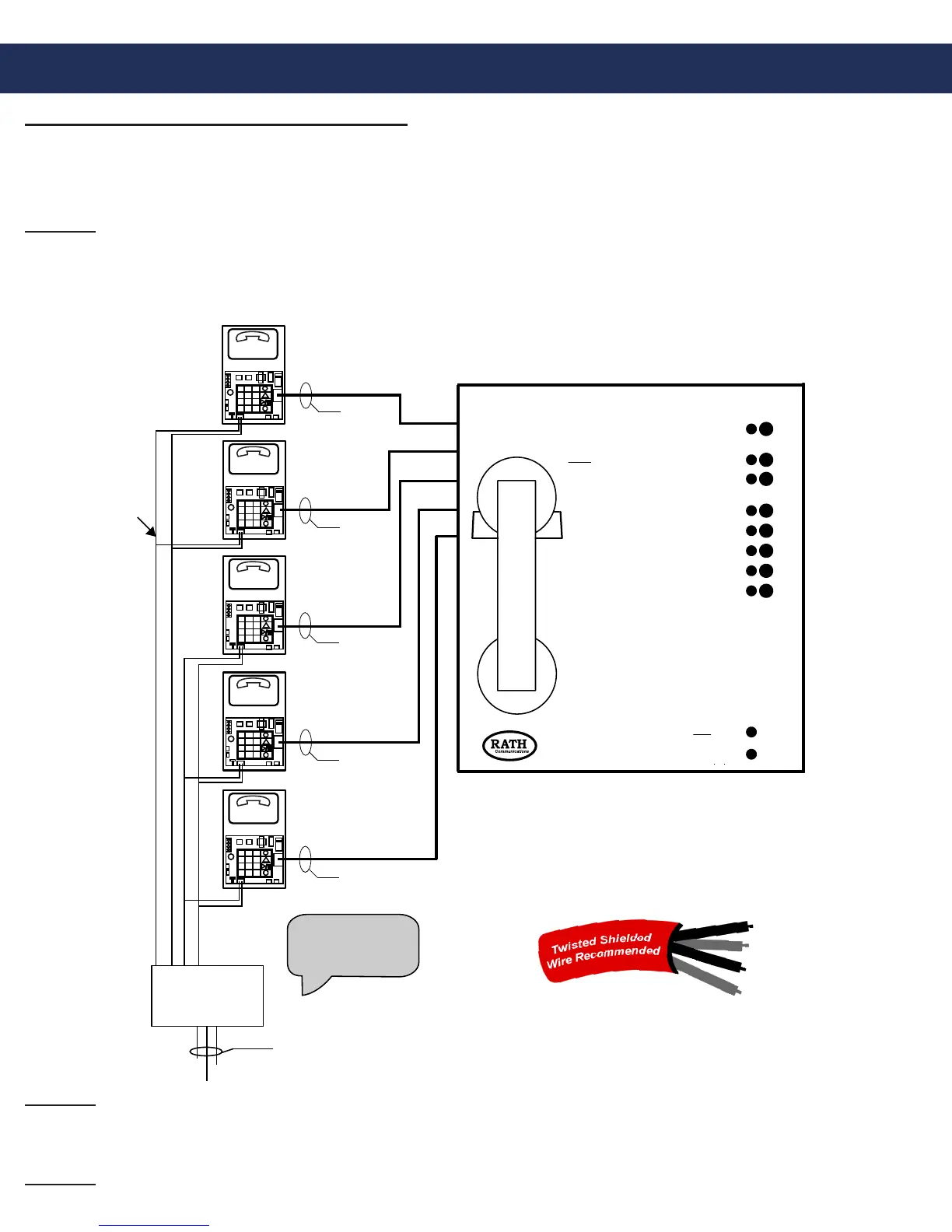
Powering Emergency Phone Options
Step 9
Options for powering the Emergency Phones.
Option 1
Rath 2500-PWR24 Power Supply:
• Use 1-pair 18 AWG wire for power, maximum distance of 5,100’
• Do NOT wire more than 3 devices per wire run and a maximum of 11 devices per Power Supply
Powering Emergency Phone Options
Page 3
SOLID LIGHT: CALLING
BLINKING LIGHT: RECEIVED
0
2
5
3
1
4 6
7
8 9
*
#
SOLID LIGHT: CALLING
BLINKING LIGHT: RECEIVED
0
2
5
3
1
4 6
7
8 9
*
#
SOLID LIGHT: CALLING
BLINKING LIGHT: RECEIVED
0
2
5
3
1
4 6
7
8 9
*
#
0
2
5
3
1
4 6
7
8 9
*
#
SOLID LIGHT: CALLING
BLINKING LIGHT: RECEIVED
0
2
5
3
1
4 6
7
8 9
*
#
2 Pair- Twisted
24-22ga
2 Pair- Twisted
24-22ga
2 Pair- Twisted
24-22ga
2 Pair- Twisted
24-22ga
2 Pair- Twisted
24-22ga
2500-PWR24
1 Pair
18ga
Hot
To 120vac
Ground
Neutral
SOLID LIGHT: CALLING
BLINKING LIGHT: RECEIVED
EMERGENCY PHONE
EMERGENCY PHONE
EMERGENCY PHONE
EMERGENCY PHONE
EMERGENCY PHONE
Rescue Services
Submaster 1
Submaster 2
Battery:
Green: Full Charge
Yellow: Mid-level Charge
Red: Low Charge
Read all operating steps before proceeding.
Operation:
1. Solid lit LED (Phone, Sub-Master or Rescue Services)
indicates Call in Progress.
2. Slow blinking LED indicates Call on Hold.
3. Lift Handset.
4. Press yellow TALK/HOLD button to call in to a specific
Sub-Master. If the green LED is lit you will join conversation.
5. Press black TALK/HOLD button to call in to a specific Phone.
If the green LED is lit you will join conversation.
6. Press TALK/HOLD button again to place conversation on hold.
7. Press red Disconnect Call to Rescue Services button to
end external call. Any Phone and Sub-Master originally talking
remain in conversation with this unit.
8. Hang up Handset to end calls to Phone and Sub-Master.
Battery
AC Power
Phone 1
Phone 2
Phone 3
Phone 4
Phone 5
Disconnect Call
to Rescue Services
800-451-1460
www.rathmicrotech.com
www.area-of-refuge.com
SmartRescue Phone - 5
Do NOT power
SmartRescue
with this
Option 2
Transformers: Only applicable if your phone comes with one supplied by Rath
Option 3
Powered Directly by Elevator Car

Related product manuals