EasyManua.ls Logo

Rayburn 680KCD C - Fault Finding Overview and Wiring Diagram; Rayburn 600;700 Wiring Diagram

Rayburn 680KCD C
36 pages
Print Icon
To Next Page IconTo Next Page
To Next Page IconTo Next Page
To Previous Page IconTo Previous Page
To Previous Page IconTo Previous Page
Loading...
23
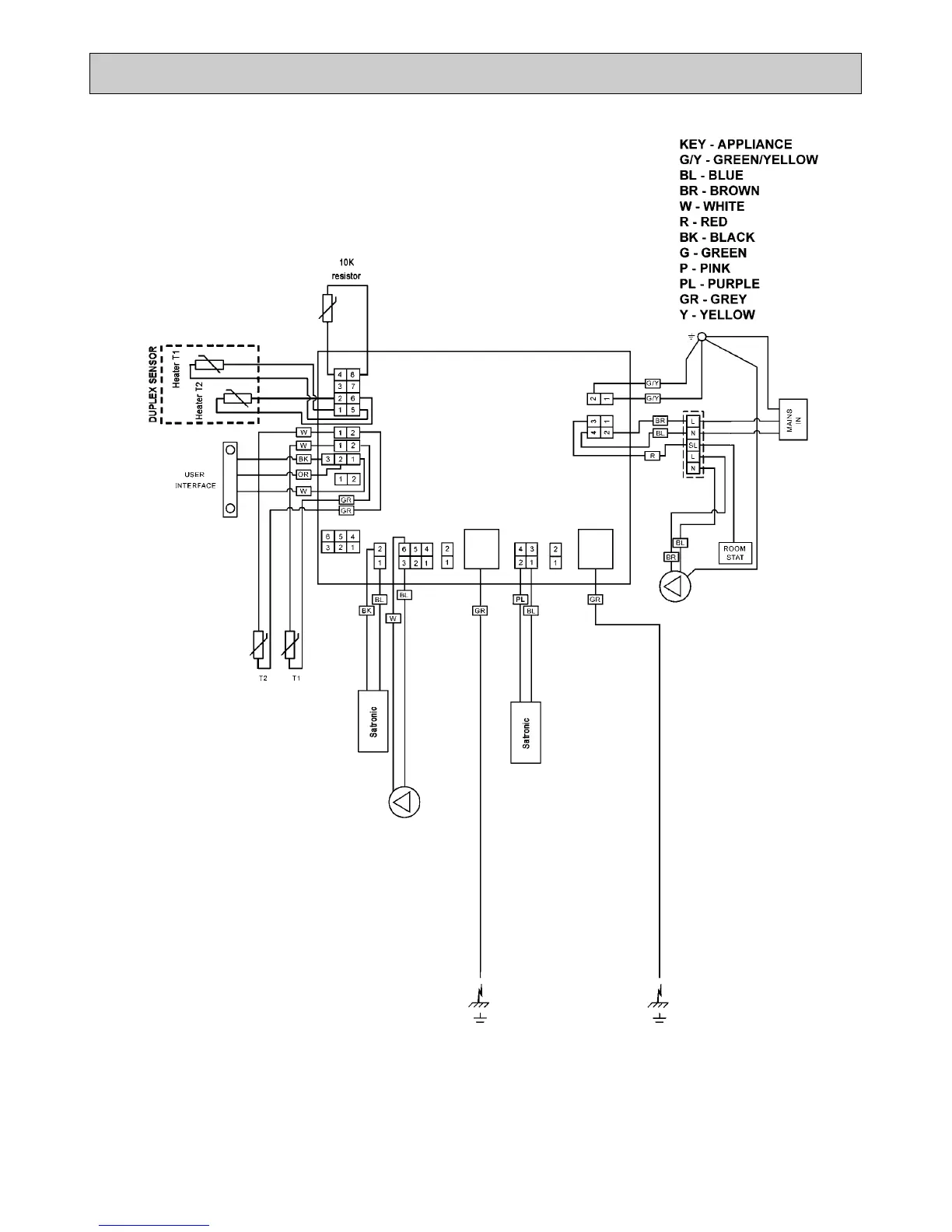
Fault Finding
Fig. 32
Rayburn 600/700 Wiring Diagram 111MB for
Individual Satronic boxes

Other manuals for Rayburn 680KCD C

Related product manuals