EasyManua.ls Logo

Raypak HD401 - Wiring Diagram-Models Hd101-Hd151 Type H

Raypak HD401
52 pages
Print Icon
To Next Page IconTo Next Page
To Next Page IconTo Next Page
To Previous Page IconTo Previous Page
To Previous Page IconTo Previous Page
Loading...
37
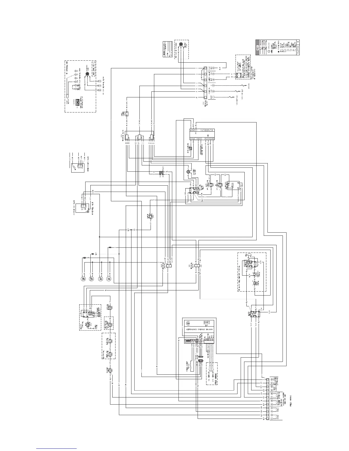
WIRING DIAGRAM—MODELS HD101-HD151
TYPE H

Table of Contents

Related product manuals