EasyManua.ls Logo

Raypak HD401 - Wiring Diagram-Models Hd201-Hd401 Type Wh

Raypak HD401
52 pages
Print Icon
To Next Page IconTo Next Page
To Next Page IconTo Next Page
To Previous Page IconTo Previous Page
To Previous Page IconTo Previous Page
Loading...
38
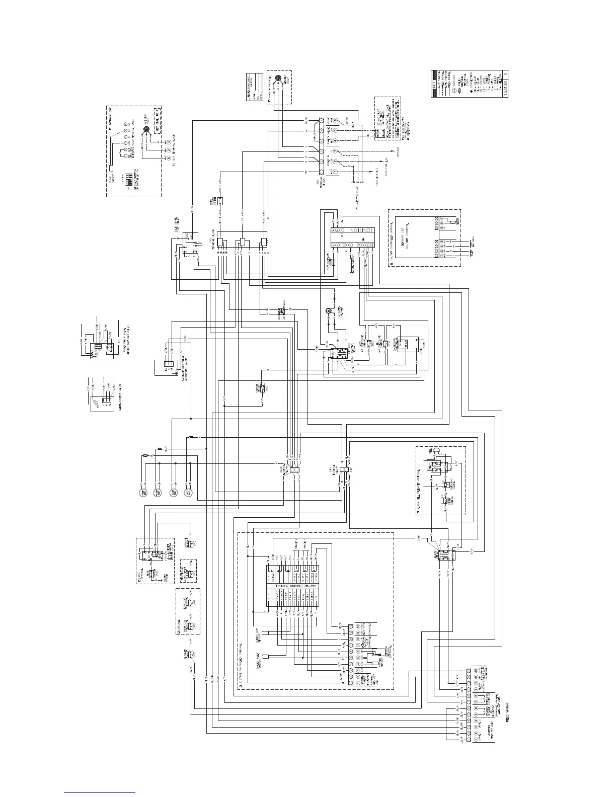
WIRING DIAGRAM—MODELS HD201-HD401
TYPE WH

Table of Contents

Related product manuals