EasyManua.ls Logo

Raytheon Beech Baron E55 - Page 562

Raytheon Beech Baron E55
903 pages
Print Icon
To Next Page IconTo Next Page
To Next Page IconTo Next Page
To Previous Page IconTo Previous Page
To Previous Page IconTo Previous Page
Loading...
BLACK
D.
I
A
Qee~hcraft
AED--~
B
I
B
BARON
55
AND
58
OR~NGE
D
D
AMPH[NOL
WHITE
-------(Eltl
SrlN
SHOP
MANUAL
GREEN
WHITE
-----(_E_I
E
1
I
~--RED
1318
O
D
POLY
I
LUI
r0
78
VDC
----´•I
n
I
n
WHITE
B
B
BL4C*
BLACK
n
w
PITOT
10
VOH
AI
LL
RON
SERVO
PRESSURE
C
C
REO
RED
X
X
O
BLUE
BLUE
K
K
r0
LIGHT
CONTROL
LE_L~3--
GREEN
GREEN
R
R
IRICHT
TURNI
ZB1´•P
3/11
TEE
roAlRcRnFT
GND
F
I
F
C--ORANCC
ORArlGE
U
U
CONTROLLER
H(
H
t--
NO
CONNECT
AMPLIFIER
I
II
I
ELLVITORSERVO
T
1_1
(AMPHENOL
7
PIN)
YELLOW
VIV
CLEAR
INOSE
DOWN)
r-
BLACK
s
lt14
O
D.
POLY-F
LOI
MIM
H1
NO
CONNECT
MALE
POLARIZATION
BLACK
L
L
ALTITUDE
I
I
TO
f
IIVDC
1A
PIN
(H~INCHESTER
20
PIN)
WHITE
J
´•I
RUDDER
SERVO
B
BLACK
H
H
HOLD
I I
I
I
TO
VOR
CJ
11
VDC
I
arn-
YELLOW
(3/8
O.D.
POLY-FLOI
I
(RIGHT
TURN\
CHAMBER
I I I
I
TO
AIHCRAFT
CND
----i_I~_I
I
L----RED-
G--wnlTE
-.~7
B
j
MALE
POLARIZATION
TOLICnTCONTROL
L
F
I I
I
rPIN
(WINCHESTER
14
PINI
FIF
BLACK
J
A
N
I
N
CONNECT
ORANGE
fl
I
II
It
FEMALE
POLARIZATION
ORANGE
RED
RED
SOCKET
IWINCHESTER
14
PIN)
,u
Z
A
20677-1
HARNESS
r9d~
E
BE
GREEN
13
V~
DIDL
SPARE
POLY-FLOI
’E
E
E
L
BLACK
AIBICID
WHITE~
H
H~--WHITE
-J
ii
BLACK
II
II
/--BLACK
-t’n
n
nisicir,
(AMPHENOL
5
PIN)
~--´•-------I
I
lels’´•
RED----~
II
II
B
B
C(C’’
BLACK
II
II
l---B~ACK--;CICIC
FIF’’
WHITE
II
It
F
F
HIHlr
BLACK
I
II
II
(AMFHENOL
I
IJIJ1’
YELLOW
II
II
L´•----YELLOY~-JIJ
J
PITCHIALT
NO
CONNECT
H
H
NI
´•N
BROWN--~
II
II
~L-BROWN-J-IN
N
7PIN)
BLACK
K
K
POWER
K
K
RATE
SUPPLY
SENSOR
DECAY
RED
(+INPUT)POT.
L
L
BLACK
L
L
GREEN
(-INPUTIPOT.-----I
81BI
I
n
II
II
IL----BLUE--~f)M)Y
ALT
HOLD
VALVE
II
G--
WHITE
ICENTER
TAP)----l
C
C
I
II
I
plP
BLACK
II
II
P
P
MAGNETIC
BLACK
D
D(
I
/rV
IRIR1.
GREEN
II
It
R
kl
HEADING
SENSOR
BLACK
EIE(
I
II
I
lolo
DID
WHITE
BLUE
(TORQUE
NO
CONNECT
NO
CONNECT
ORANGE
(TOROUER)
FIFIIICI
IFIF
FIF
O
AIRCRAFT
GRAY
(3/8
O.D.
POLY-FLO)
P
w
GROUNDr
CLEAR
TYGON
TWISTED
PAIRS
w
S
(3/8
I.D.
x
112
O.D.)
-f
z
c
z
Y
II
1
tj
1
MASTER
VALVE
8
z
8
4
d
P
GR~Y
13/8
O.D.
POLY-FLOI
a9~
w
BLUE
AIRCRAFT
0:
I
WQ
e
REO
I
I
II
II
/ii--
256-P
1/4
x
3/8
REDUCER
YELLOW
OU
O
VDC
(POS
14
or
28!
WHITE
I
I
I
IFILTER
II
~cCLEPIR
(T/4
O.D.
POLY-FLO)
SERVO
CONTROL
RED
RED
13/8
O.D.
POLY-FLO)
VALVE
(1/4
O.D.
POLY-FLO)
BLACK
AIEIKJH
D
ILICIFIPIRIY(N(~
B
TURN
COORDINATOR
RUDDER
SERVO
(AIRCRAFT
GROVNDI
A
E
K
H
D
L
C
F
P
R
WI
N
J
B
BLUE
(3/8
O.D.
POLY-FLO)
(LEFT
TURN)
CLEAR
(1/4
O.D.
POLY-FLO)
MALE
ELEVATOR
SERVO
POLARIZATION
PRESSURE
PIN
SYSTEM
SHOWN
(WINCHESTER
u
CLEAR
INOSE
UP)
14
PIN)
9
11
(1
13/8
O.D.
POLY-FLO1
Ct~
RED
d
BLACK(-)
Q
PRESSURE
2646
3/8
TEE
PITCH
ALTITUDE
AMPLIFIER
INPUT
AIR
EXHAUST
pbP
1/4x
3/8
AILERON
SERVO
REDUCER
AIRCRAFT
GROUND
L
GREEN
(1/4
O.C.
POLY-FLO)
(LEFT
TURN)
GREEN
(3/8
O.D.
PPLY-FLO)
STD602-7
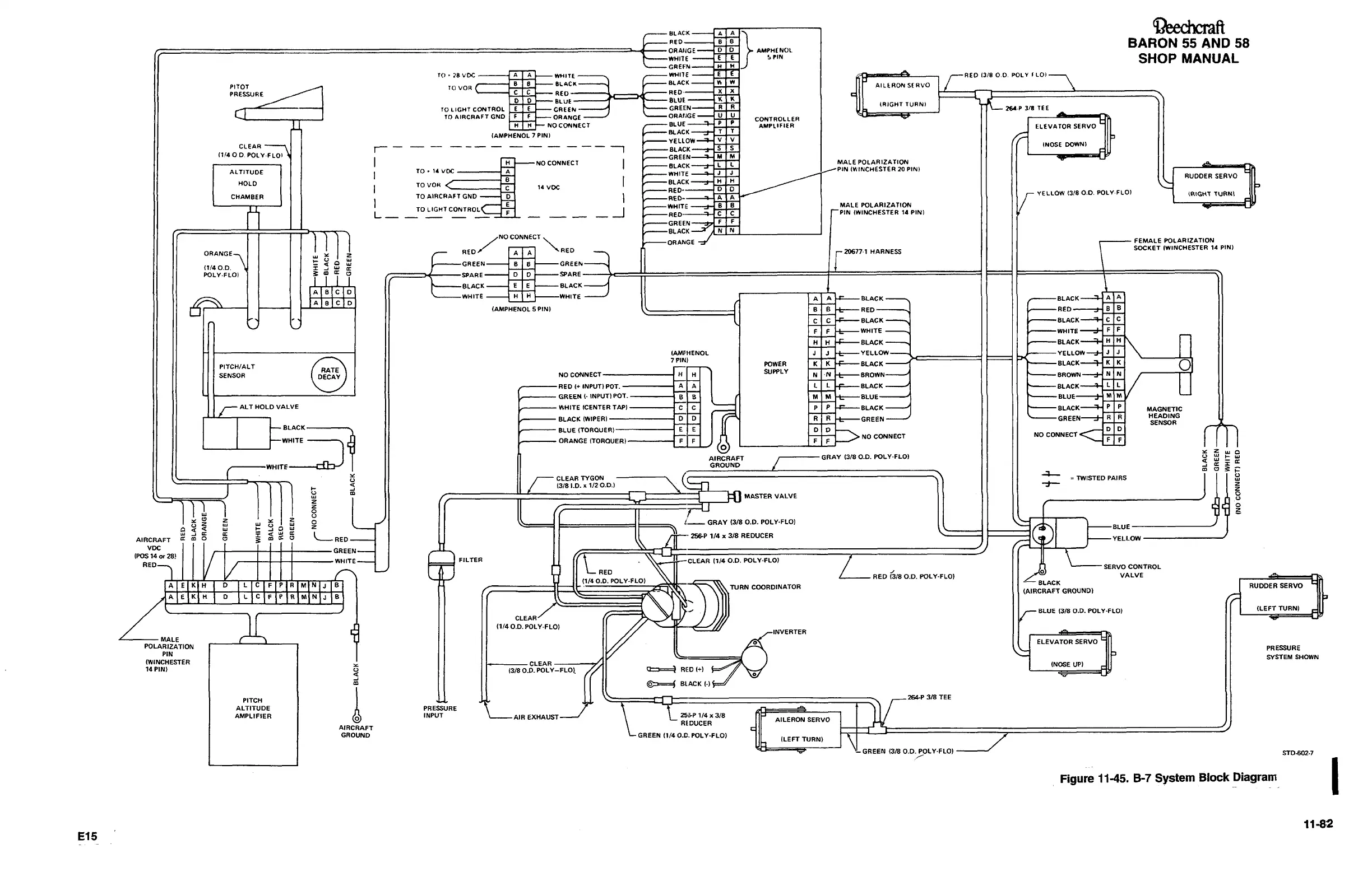
Figure
11-45.
&7
System
Biock
Diagram
11-85
515

Table of Contents

Related product manuals