EasyManua.ls Logo

Raytheon Beech Baron E55 - Page 728

Raytheon Beech Baron E55
903 pages
Print Icon
To Next Page IconTo Next Page
To Next Page IconTo Next Page
To Previous Page IconTo Previous Page
To Previous Page IconTo Previous Page
Loading...
__
__-___-_____
50A
50A
’(I~
P34B18
pS
´•i´•
O
P69D18
3
P33A8
P32A8
10A
r-9
a
r-l
a
I
1
I
psqcrs
NO
2
LH
I
I
RH
o?P
P69B18
i,d,
P16D18
lo
P49A18
r.
uA
P31A8
P30A8
I
P34A18
T
P37A18
i
D
ssI
P
P31B18
r
P30B18
B
B-
-L
B
r_kP-
P47A18
B
a
P39A18
C
NO
1
I
P48B18N
ALT
T
r
P45A8N
----80
ALT
T
P55A18
P16A18
I
P4s~18N
(G
(G
I
LH
RH
P43A18
P44A18
P42A18
P56A18
4j
P71A18
F
R
F
R
P16B18
-------´•0~0
L,.
I
L,
I
2A
I
L
E
I
L
I
L
r
’II
NO
2
P50A18
T
3--
P41A18
P40B18
P51A18
L
2A
~J
r-
A
r-
P16C18
T
zA
2A
L,
P78B18
L
P28A18
4
pashls
r~-sucn
I
H
I~
P2BB18
I,
P?8C18
P46B18N
II
RH
i
L~
F
P16B18
f
3
P16B18
BLACK
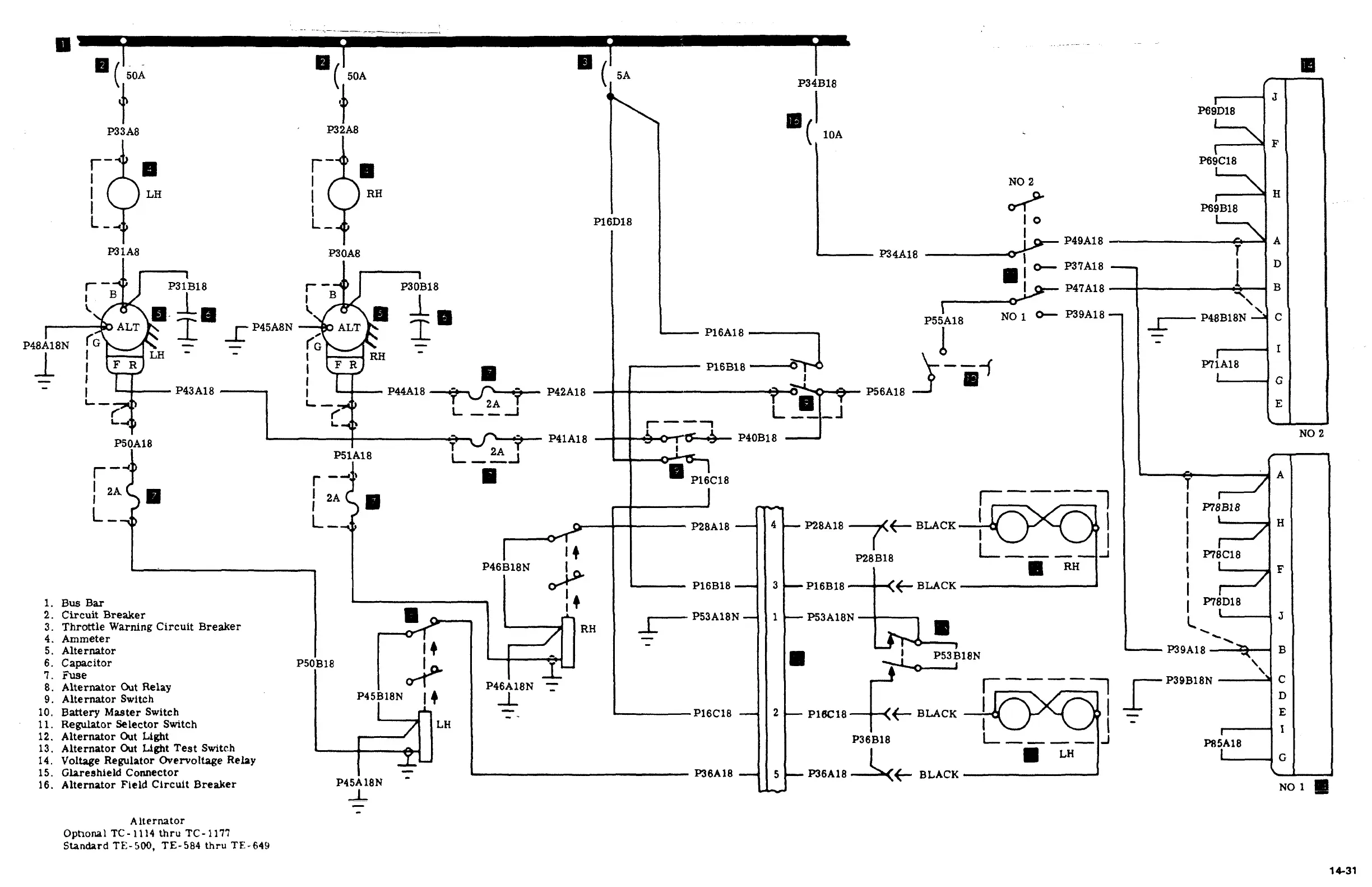
1.
Bus
Bar
I
1
I t
I I I I
i
I
i
PrSD1A
2.
Circuit
Breaker
P53A1SN
1\11
P53A18N
7
1
I
I,
J
3.
Throttle
Warning
Circuit
Breaker
RH
-IZ--’
4.
Ammeter
5.
Alternator
I~
P53
B18N
P39A18
-----3--~
B
7.8.
Alternator
~t
Relay
o4P
P46A18N
rf-
BLACK
P39B1SN
CI
6.
Capacitor
P50B18
r"use
9.
Alternator
Switch
P45B18N
-L
D
10.
Battery
Master
Switch
P16C18
2
P1BC18
E
11.
Regulator
Selector
Switch
LH
12.
Alternator
Out
Light
P36B18
I
Ij
PA
5A1A
13.
Alternator
~t
Light
Test
Switch
LH
I
I
I
14.
Voltage
Regulator
Overvoltage
Relay
15.
Gkreshield
Connector
I
I
PJgA1S
5
p3sals
BLACK
16.
Alternator
Field
Circuit
Breaker
P45A18N
NO
1
3tr!
IL
AUer´•na~tor
Ophona
1
TC-1114
thru
TC-1177
Standzrd
TE-5OO,
TE-584
thru
TE-64Y
14´•31

Table of Contents

Related product manuals