EasyManua.ls Logo

Raytheon Beech Baron E55 - Page 729

Raytheon Beech Baron E55
903 pages
Print Icon
To Next Page IconTo Next Page
To Next Page IconTo Next Page
To Previous Page IconTo Previous Page
To Previous Page IconTo Previous Page
Loading...
m
I
NO.
2
IJ
50A
50A
B
(5"
P34B18
c~P
P69D18
P33A8
P32A810A
r’
I
P34A18
P69C18
0----
P3
7A18
I
H
LH
RH
P47A18
P69ti18
L-
L
P39A18
A
P55A18
NO.
1
P31A8
P30A8
b
D
P31B18
-7
P30B18
BEI
t"-´•
P56A18
T
-j
B
I
I
I
L.,
C
-L
F2
P48B18N
T
~t-O
AUX
P48A18N
32~
AUX
P38A18N
-L
P16A18
I
I
LH
-11RH
P71A18
G
L,;
,~J
P44A18
P42A1
P50A18
P51A18
2Av
i
I I
~IP
m
NO.
2
t,,,,~
J
r’
P43A18
P41A18
P40B18
P78D18
L,,,,~
P16D18
L
r
F
~n
2A
T
P
4
nsA11--<
tBLACKP28B18
H
L,
P50B18
2A~
I~
IP28A18
P78C18
P16C18
I~
RH
t
BLACK
P78B18
i.
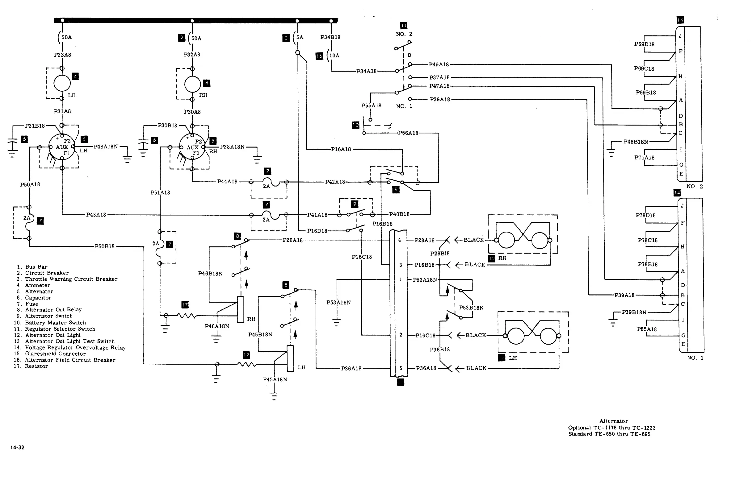
Bus
Bar
3
P16B18
2.
Circuit
Breaker
P46B18E:
o))a
A
3.
Throttle
Warning
Circuit
Breaker
1
pj3A18N
4.
Ammeter
g
D
5.
Alternator
P39A18
B
6.
Capacitor
7.
Fuse
P53A18N
P53B18N
L
,j
C
B.
Alternator
Out
Relay
P46A18N
1T
IBLACK
P85A18
9.
Alternator
Su´•ltch
r~
-7
_rP39B18N
RH
o~a
i
10.
Battery
Master
Switch
11.
Regulator
Selector
Su´•itch
12.
Alternator
Out
Light
P45B18N
I~
2
16C18
G
13.
Alternator
Out
Light
Test
Switch
E
14.
Voltage
Reylator
Overvoltage
Relay
P36B18
I
~J
15.
Glareshield
Connector
m
t´•
BLACK
16.
Alternator
Field
Circuit
Breaker
liP
LH
NO.
1
17.
Resistor
LH
P36A1FI
5
P45A1Bh’
1-
Alternator
Optional
TC´•r178
thru
TC-1223
Stnninrd
TE-´•850
thN
TE-695
14-32

Table of Contents

Related product manuals