EasyManua.ls Logo

Raytheon Beech Baron E55 - Page 730

Raytheon Beech Baron E55
903 pages
Print Icon
To Next Page IconTo Next Page
To Next Page IconTo Next Page
To Previous Page IconTo Previous Page
To Previous Page IconTo Previous Page
Loading...
P34B18
I
j0A
50A
i"
mt
10A
m
P3ZA8
P33A8
I
i
_
W9p18
NO.
2
P69C18
LH
I
IRH
o/B
H
P16D18
P69B18
P3fA8
PI
P3qA8
PI
P16A18
P34X18P49A18
tA
NO.
2
P
55A
18
~SP-NO.
1
P47A18
B
I
P31B18
~1
I
P30B18~
C1
BP
P37A18
0
I
P
F2
F2
P38A18N
_L
P48A18N
_L
AUX
Q--
P39A18
0
avx
I-1P48B18N
F1
Fl
LH
RH
P7W18
I_
I
El
P44A
18
P42A18
P56A18
P43A18
I
I
LH
1
I
I
I
P50A18
1
I
L
P51A18
7
C1
I
I-
-I
RH
rB
RH
8
I’
P4
1A
18
.’1
P40B
18
r------~
I___,,I
i
C~
8)12,
P16~18
Bj
P
P78B15
psoals
i
d-GREEN
---C
P28A18
4
PLBAIB--~CBLACK
L-----
J
H
2,
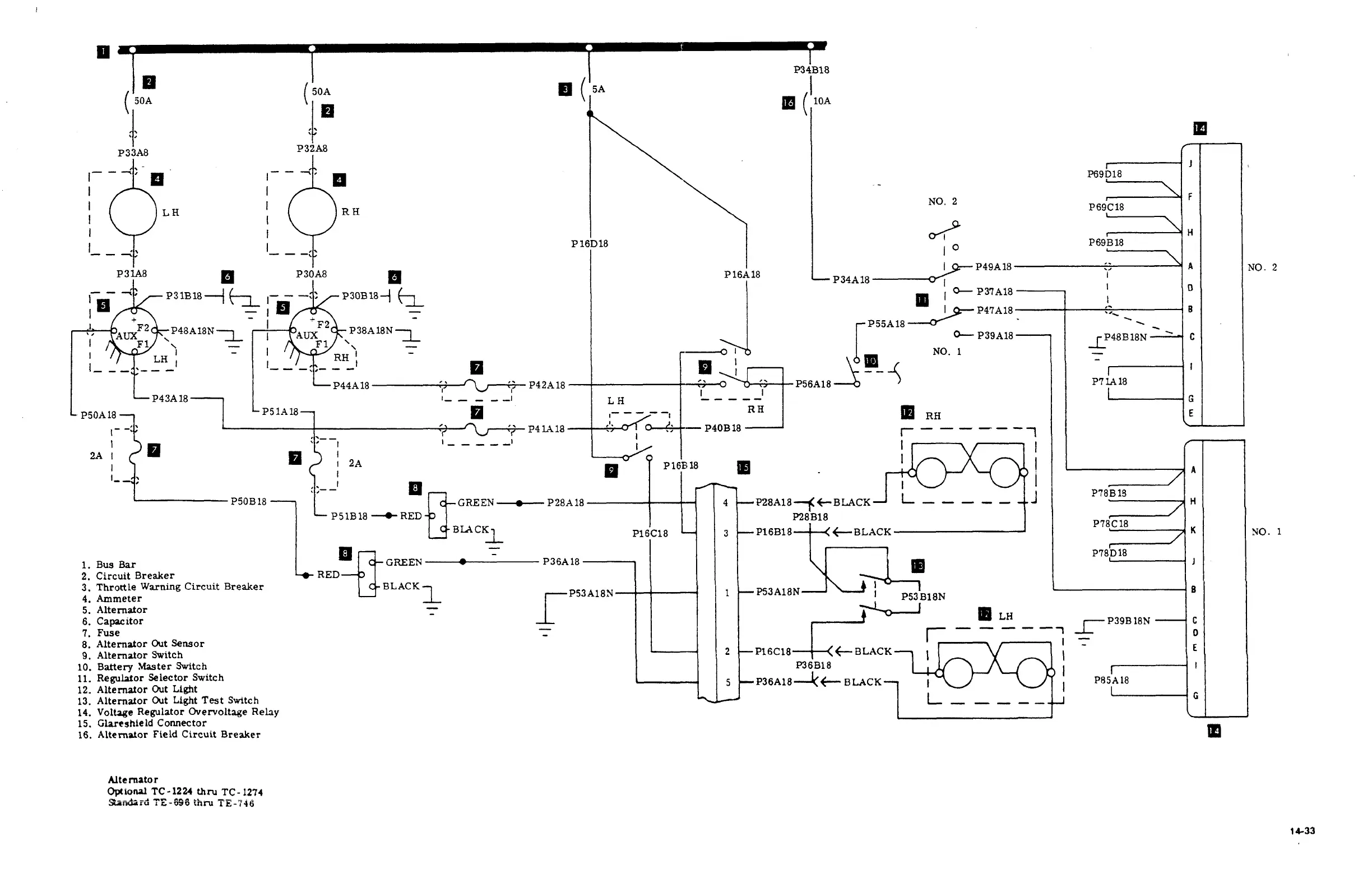
Circuit
Breaker
P51B1B
--I~-RED-C>
P28B18
P78C18
i
q-sucK_1_
P16C18
L~
1
3
P1GB18--f--(t-BtACK
K
NO.
1
1,
Bus
Bar
RED
P78D18
88
1
3,
Throttle
Warning
Circuit
Breaker6,
Caplcitor
BLACK1-
rP53A1SN
t
P53A18N
8
4,
Ammeter
P53818N
5.
Alternator
IB
LH
C
8,
Alternator
Out
Sensor
2
PT6C18
I
r
P39B
18N
0
7.
Fuse
9.
Alternator
Switch
C
DLACK
E
10,
Battery
~aster
Switch
P36818
ii.
Regulator
Selector
Switch
5
P36AL8
L’
BLACK
D85A18
12.
Alternator
Out
Light
13.
Alternator
Out
Light
Test
Switch
L
-I-1
I
14.
Voltage
Regulator
Overvoltage
Relay
15,
clareshield
Connector
Itl
18.
Alternator
Field
Circuit
Breaker
Alte
mnto
r
Optlon;L~
TC-12U
thru
TC-
1274
TE-~6
ihru
TE-qjs
1633

Table of Contents

Related product manuals