EasyManua.ls Logo

Raytheon Beech Baron E55 - Page 731

Raytheon Beech Baron E55
903 pages
Print Icon
To Next Page IconTo Next Page
To Next Page IconTo Next Page
To Previous Page IconTo Previous Page
To Previous Page IconTo Previous Page
Loading...
m
1
7
7-
P69D18
J
ai50A
´•i50A
P34B18
´•j
BI(10A
NO.
2
P69C18
P33Ab
r,
P32A8
TC-1299
AND
AFTER
H
TC-1299
AND
AFTER
LP34A18
P49A18
A
P33A8
P32A8
´•C´•´•´•´•´•´•´•.
o~B
P69B18
e~
ro
,o
I
P
L33A2"-
p3
2
B20
B
5A
V
I
5A
V
T
m
El
m
g
~---P37A18
D
LH
RH
I
P47A18
B
1
i
i-
L31B20
I_,
I
5A
V
5A
O--
P39A18
I
nv
P48B18hT-~i
C
P31A6
´•´•´•i---´•´•---:
I
L;
P30A8
´•´•I´•´•--´•´•´•´•:
NO
--7
P31A8
pj5A18
P71A18
a
P30A8
n
r
’t’
P16A18
111
"E
P31B18--i
~--_L
r
,,,,,-~t,
a
-r
1
-O~F3\8
i
P16D18
AUX
P38A18N
AUX
P38A18hT
NO.
2
T
Fl
T
Fl
-L
L
~H11
LRH
P16B18
,,,,18
m
i
P44A18
P42A18
T~
I
T
IP
P51A18
L
I
I
I
P7S’B18
r-
1
I
I
il~il
M
P43A16’P41A18P40B18
I
P16B16
P78C18
pj0A16
I
I
I
I
I
1
2
I~
P78D18
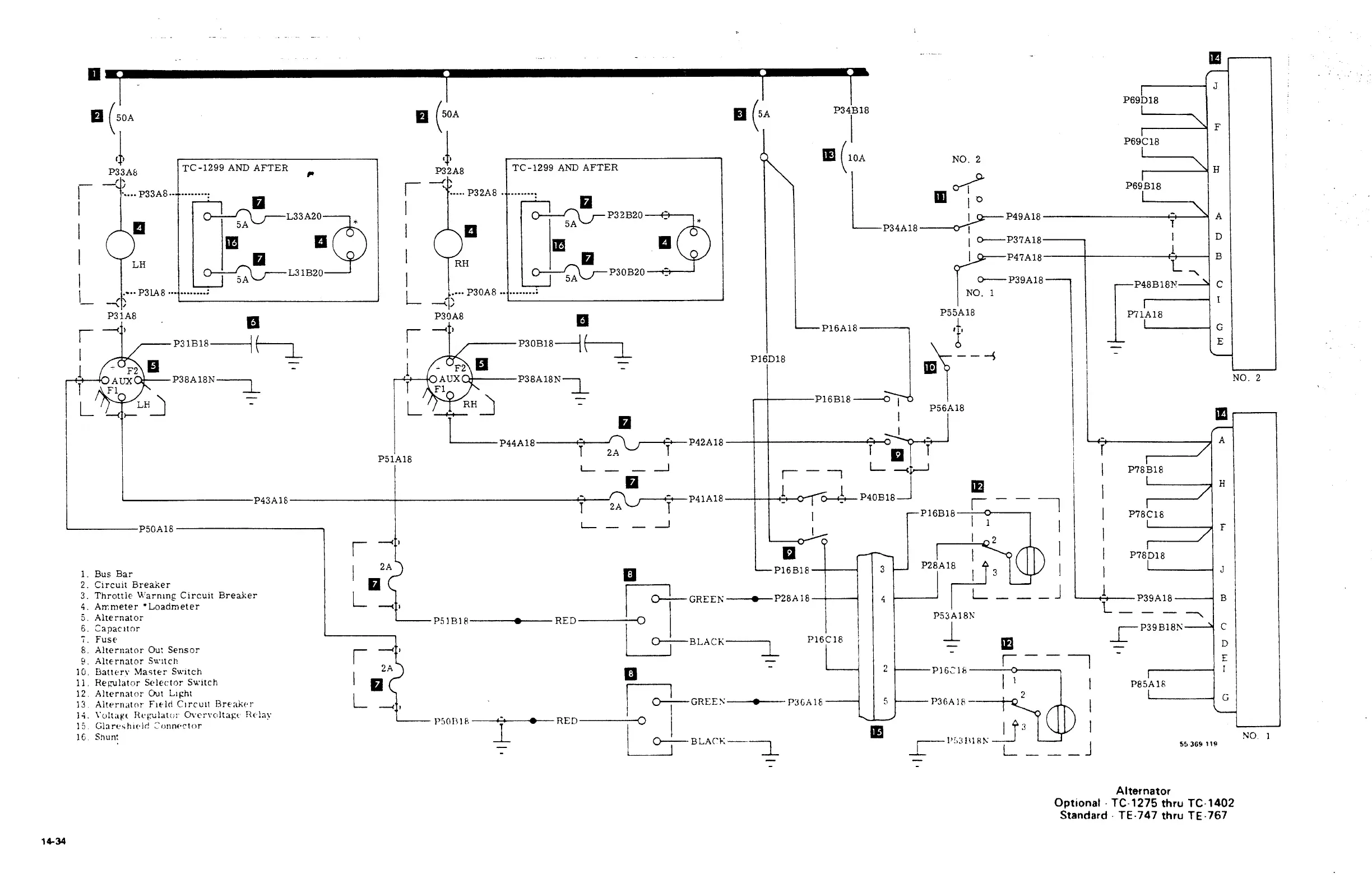
1.
Bus
Bar
IP
P16B18
I
I
1
3
1
I
P2B~A18
3
I
J
2.
Circuit
Breaker
3.
Throttle
U’arninc~
Circuit
Breaker
L,O-~---
GREE
N
---e-
P28
A
1
8
4
P39A18
B
4.
Arr.meter
’Loadmeter
I---
j.
Alternator
P53A18~
P.4
1H1
8
RED
------_O
8.
Xlternator
Ou:
Sensor
r
I
O--j0-T-BLACK
P1GClfi
I_
I
P39B18N----?J
C
6.
~apailrnr
I-
i.
Fus~´•
~O
L)
9.
Alternator
SII.IICh
r
1
E
10,
f3atterv
Master
Su´•itch
2.4
~J
Z
D16,lb
11.
Hr~Ylator
Selector
Su´•itch
tl
I
)3.
Xlterrlarclrr
Flclti
Circuit
L
j
P85Alfi
12.
Altcrnntor
Our
LIFhr
2
GRE;E
-----C~
X,3(j
A
1
6
fi
1’3
GA
1
i;
P5(i
I-11
ii
---k--t--
nED
-------rO
NC)
1
1.
o---BLACE
PO
1C;.
Stlun:
I
-1
I----
L_
J
Alternator
Optional
TC-1275
thru
TC´•1402
Standwrd
TE747
thru
TE767
iP34

Table of Contents

Related product manuals