EasyManua.ls Logo

Raytheon Beech Baron E55 - Page 734

Raytheon Beech Baron E55
903 pages
Print Icon
To Next Page IconTo Next Page
To Next Page IconTo Next Page
To Previous Page IconTo Previous Page
To Previous Page IconTo Previous Page
Loading...
i
P69D18---~
J
TO
POWER
DISTRIBUTION
p2
B6
----7
Pi!P3A6-------~\
P1A6~
TO
BATTERY
P2A6
P4A6
50A
V
50A
F
~1
I
r---
)e
P69C18
H
10A
P5B20
P5A20
I
B20
P6A20
´•I’
P6
r~v
50
MV
i´•
P69B18---~
A
5A~
5A
50
MV
50A
o?7---P7
B20r
P7A20
~f-f3----P8
T
5A
T
T
D
5A
I
50A
LH
RH
L--
IJ
P34A18
~-----J
I
NO.
2
L’
~C
P32A6
P
P31A6
R
P65A18N
r--
P32B18--~tl
r--
I
i
P71A18
G
B
E
F2
oiP
F2
I
F1
P74B2
P74A20
AUX
O
AUX
RED
5A
Ve~
r
T
m
F1
P69A18
d~1
L----J
P78A18
L--
--J
P67A18
A
P66A20
PllA187
P74C20N
lo
P30A18
NO.
1
P78C18P78D18----(
JF
2000n
1
P78B1
H
BLACK
r-’
I
I
GREEN
_I
r-
L,A,
I
Of
I
I
P79A18
P76B18
I
P84A18---1B
I
3A
L,,,,,
C
L
P64A18N
P75.418
I
D
i
3A
v
IE
P66B20
2000
a
L_,,,,J
11
P66C20N
I
W6A20
TO
AHNUNCYITOR
P85A18----i
G
m
55389´•120
I
~--CREEP
W5*20
’TO
AN~NCIATOR
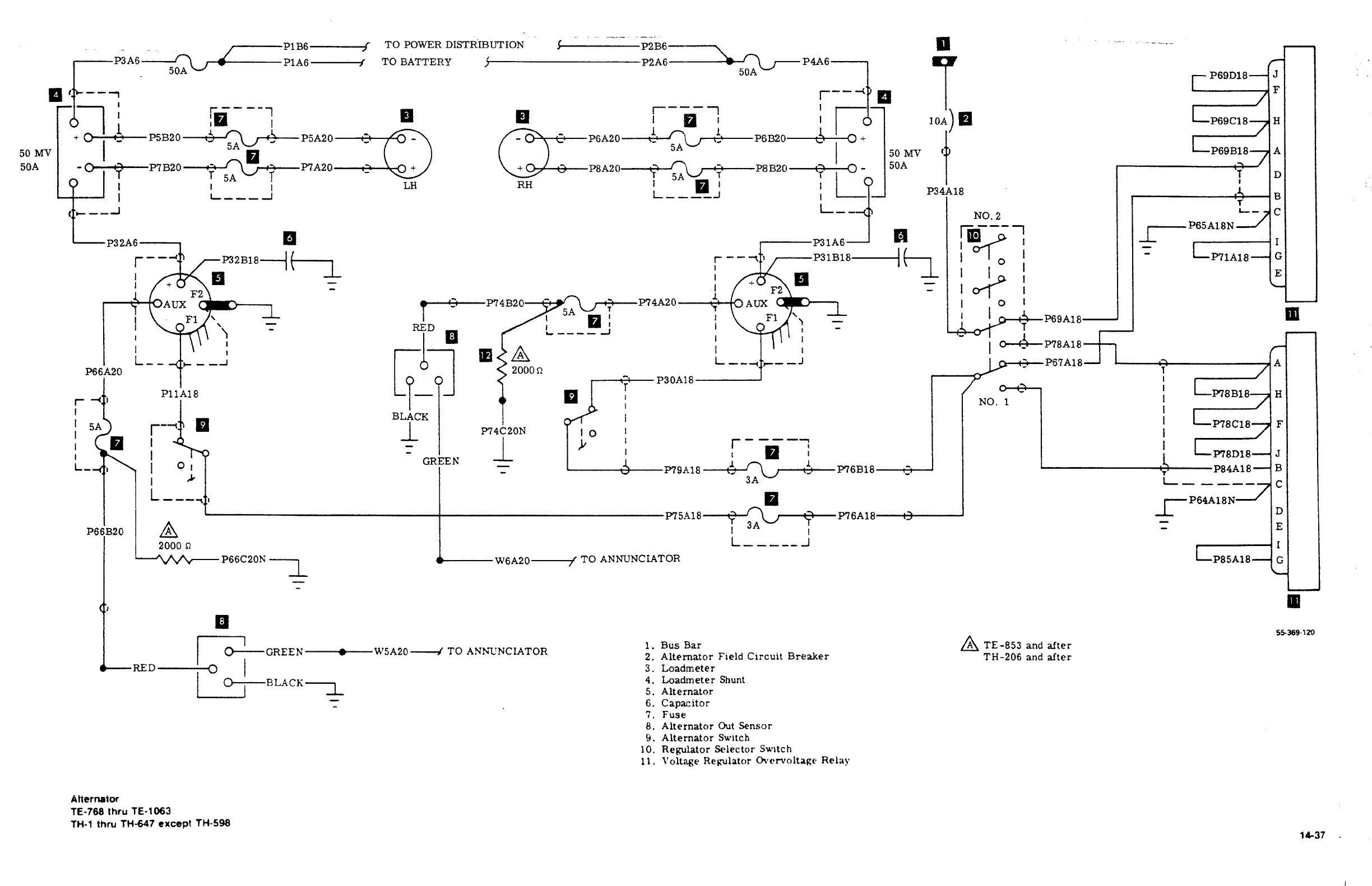
i.
BY6
Bar
n
TE-853
and
after
2.
Alternator
Field
Circuit
Breaker
TH-206
and
after
I
RED---------O
3.
Loadmeter
I
i
I
4.
Loadmeter
Shunt
5.
Alternator
6.
Capacitor
7.
Fuse
8.
Alternator
Out
Sensor
9.
Alternator
Switch
10.
Reeulator
Selector
Switch
11,
Voltage
ReRulltrrr
Ch´•crvoltaRe
Rnla)´•
Al~crnalor
TE-768
Ihru
TE-1Mj3
fH´•l
thru
TH647
excel)t
TM-598
14-37

Table of Contents

Related product manuals