EasyManua.ls Logo

Raytheon Beech Baron E55 - Page 834

Raytheon Beech Baron E55
903 pages
Print Icon
To Next Page IconTo Next Page
To Next Page IconTo Next Page
To Previous Page IconTo Previous Page
To Previous Page IconTo Previous Page
Loading...
a
____LQ
7A2D_J~LL51A20--)
1
L51B20
I
_L
L37C20
1~L--L37B20
El
L103A20N
2
L49A20~
-7_
C
B
lil-
L49B20N
Ei
3
tL52A20
B
L102A20
B
n
g
L38A20
WSTRUMENT
L54A20
141
L30C20
L30B20
1
1
L3
OD20
L44AZO
FLOOD
DIMMIhTG
E
2
1
B
L31B20
---e--~i-
L31A20
3
L31CZ
L51C20L103B20N
DIM
MING
ENGINE
INSTRUMENT
C
L51A20
OFF.
CONSOLE
Aru’I)
AVIONICS
L102B20
L43A20
L39A20
DIR3MING
r
L43A20
J
t-!
ELECTROLUMINESCENT
E
L32B20(
r,
r
L48A20N
2
ILL48B20N
t
L44C20
L58B20
L52B20
TO
L39B20
OPTIONAL
ENGINE
t
INSTRUMENT
WEDGE
i
1
2
3
I
L50B20N
CL5.7B20N
L102C
20
LIGHTS
FUEL
\I
L39B20
SELECT
L32A20
LjOAZO~
ELEVATOR
TAB
L31jC20
RED
-L
L43B20
L43C
20
~7
INDICATOR
lil
L44f320
Lj8~20
C
-I
L102D20
FLAP
B
POSITION
IIr
BLACK
EI
L39D20
FLIGHT
INSTRUMENT
I
LH
’RH
AILERO~
L33B20
E,
DIMMING
I
ENGINE
ENGINE
TAB
I-
RED
10
L56~20
L102E20
GAGE
GAGE
INDICATOR
i
L69A20N
7
rBLACI~
jLj;i.420
L9dA20
TO
OPTIONAL,
I
TO
TO
FLIGHT
CABIN
RADIO
LIGHTS
CI’STRC~IEh’T
(REF,
n’HEE
L
CLOCI;)
L102F20
IRE
FCR~ISHED
\5.1TH
LIGHT
LIGHTS
POST
LIGHTS
/fi\
THECE
L~GIITS
ARE
LANDING
L39E2Ci
CO~N
ECTED
TO
BTS
~0.
2
\S‘HES
GEAR
OPTIOSXL
TLIGHT
I I
\’ISUAL
POST
LIC;111‘~
XIIE
INSThL,Lt;l.,
I
/A\
I
1
/A\
I
1
j
1
1..
102(;
20
58369
25?
I]O’i’
L1(;
j!T~
XREE
ISST~l.i.ED
c)
~t
E(.
i,!
1
4~1)
A
F"I’F:II
.I.I)
i
i-
112C´•
AND
A
F?.
t;R
C)I’’TION~I.
"I‘tl
1-;’
ASI)
A
F’TEII
i
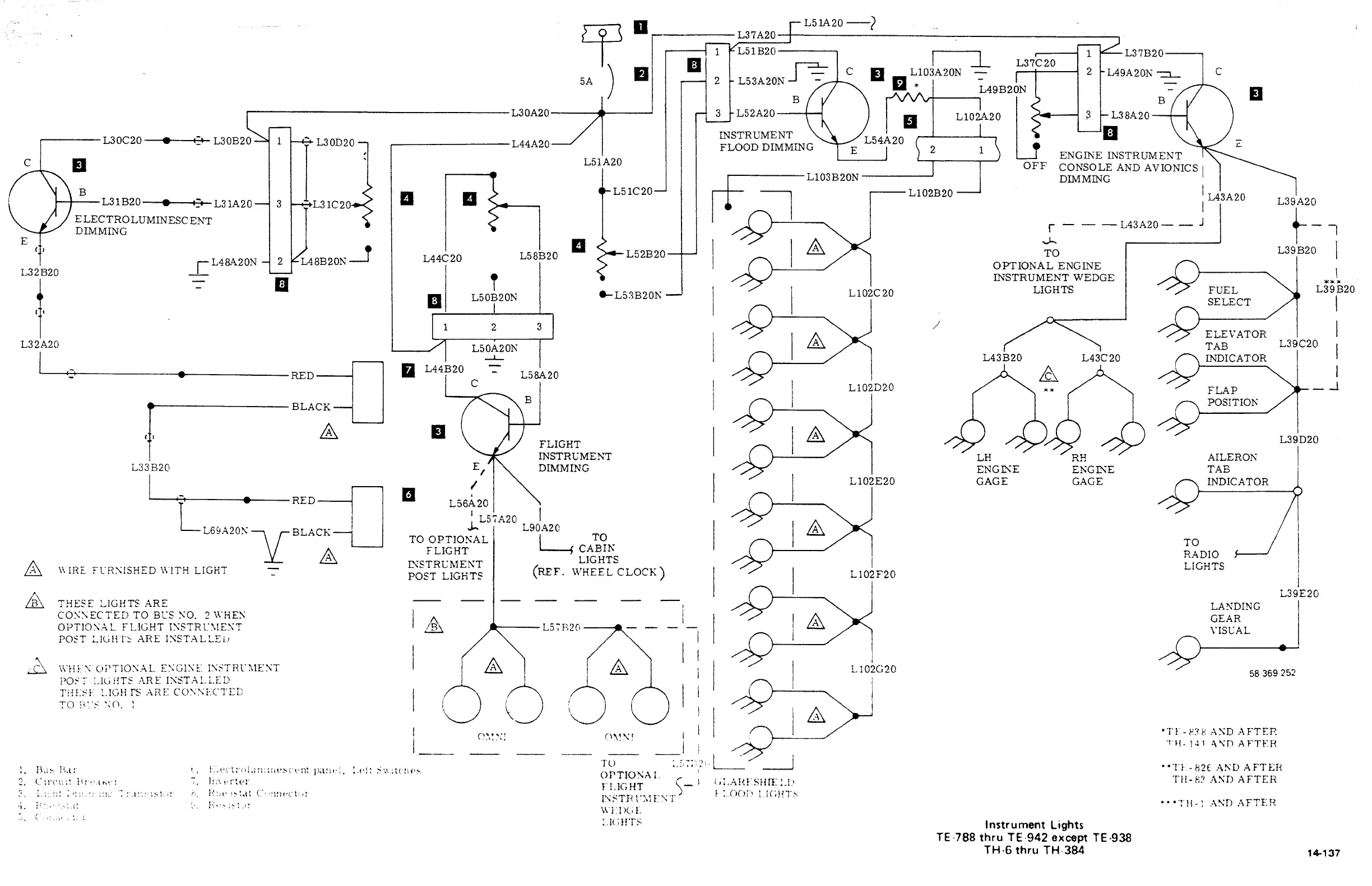
instrument
Lights
TE
788
thru
TE
942
except
TE
´•938
THG
thru
TH
3&4
14137

Table of Contents

Related product manuals