EasyManua.ls Logo

Raytheon Beech Baron E55 - Page 835

Raytheon Beech Baron E55
903 pages
Print Icon
To Next Page IconTo Next Page
To Next Page IconTo Next Page
To Previous Page IconTo Previous Page
To Previous Page IconTo Previous Page
Loading...
P"
I
i
L37A20
L51B20
I
-L
L37820
L103AZON
I
C-20
L44A2DSj~i
L52A20---t
B-20
L30A20
r
ICI
L102A20
~C
L38A20
eB-20EI
L54A20
aoj
2
f
ENGINE
INSTRUMENT
E-20
L30B20
L51A20
CONSOLE
AND
AVIONICS
L49A20N
rj
~L39A20
Ef
In
L103B20N
DIMMING
L’102B20
I
ELECTROLUMINESCENT
L50A20R!1
L52A20
L31A20
T
t
r-
L43A20
__~
L43A20
DIMM1NG
Pt
s,
L44B20
i
L58A20
OPTIONAL
ENGINE
L39B20
TO
L48A20N
i
L53h20N
I
i
L102C20
LIGHTS
INSTRUMENT
WEDGE
FUEL
L39E20
L32A20NRED
C-20
I
L43BZO
L43C20
SELECTTAB
ELEVATOR
L39C20
s
INDICATOR
8-20FLIGHT
L102D20*f
FLAP
L39D20
POSITION
r
BLACK
EI
i
INSTRUMENT
AILERON
L33820
DIMMING
TAB
LH
RH
E20
INDICATOR
L102E20
ENGINE
ENGINE
;Z’
GAGE
GAGE
RED
L56A20
L90A20
L
TO
L64,20N
A
BLACK
TO
TO
OPTIONAL
CABIN
RADIO
/A\
FLIGHT
LIGHTS
LIGHTS
INSTRUMENT
WIRE
FURNISHED
WITH
LIGHT
(REF.
WHEEL
CLOCK~
I
L102FZO
POST
LIGHTS
L39E20
CONNECTED
TO
BUS
NO.
2
WHEN
L57820
-1--,
I
’./A’´•
GEAR
THESE
LIGHTS
ARE
LANDING
OPTIONAL
FLIGHT
INSTRUMENT
VISUAL
POST
LIGHTS
ARE
INSTALLED
A’
I I I
I
I I
L102GZO
WHEN
OPTIONAL
ENGINE
INSTRUMENT
POST
LIGHTS
ARE
INSTALLED
THESE
LIGHTS
ARE
CONNECTED
AI
’TE838
AND
AFTER
TO
BUS
NO.
1
A\
i’
TH´•141
AND
AFTER
2
Circuit
Branker
i_
OMNI
OMNI
"TE´•826
AND
AFTER
l.aul
Bil
TH´•83
AND
AFTER
3
Llph~
Dlnlnllng
Tranlt,lo,
I
"’TH
1
FIND
BFTEA
TO
4
Ahcorln~
Lti7U7(1
(;I~RESI(IFCT)
OPTIONAL
5
Connccio
F
LWOD
LIGHTS
FLIGHT
6E
Isctrolun´•llns´•icenI
panel.
Left
Swltc)lc?e
INS~RUMENf
7
W~DCE
E
1YO1
Uldll
LIGHTS
9
Rsii~lo,
Instrument
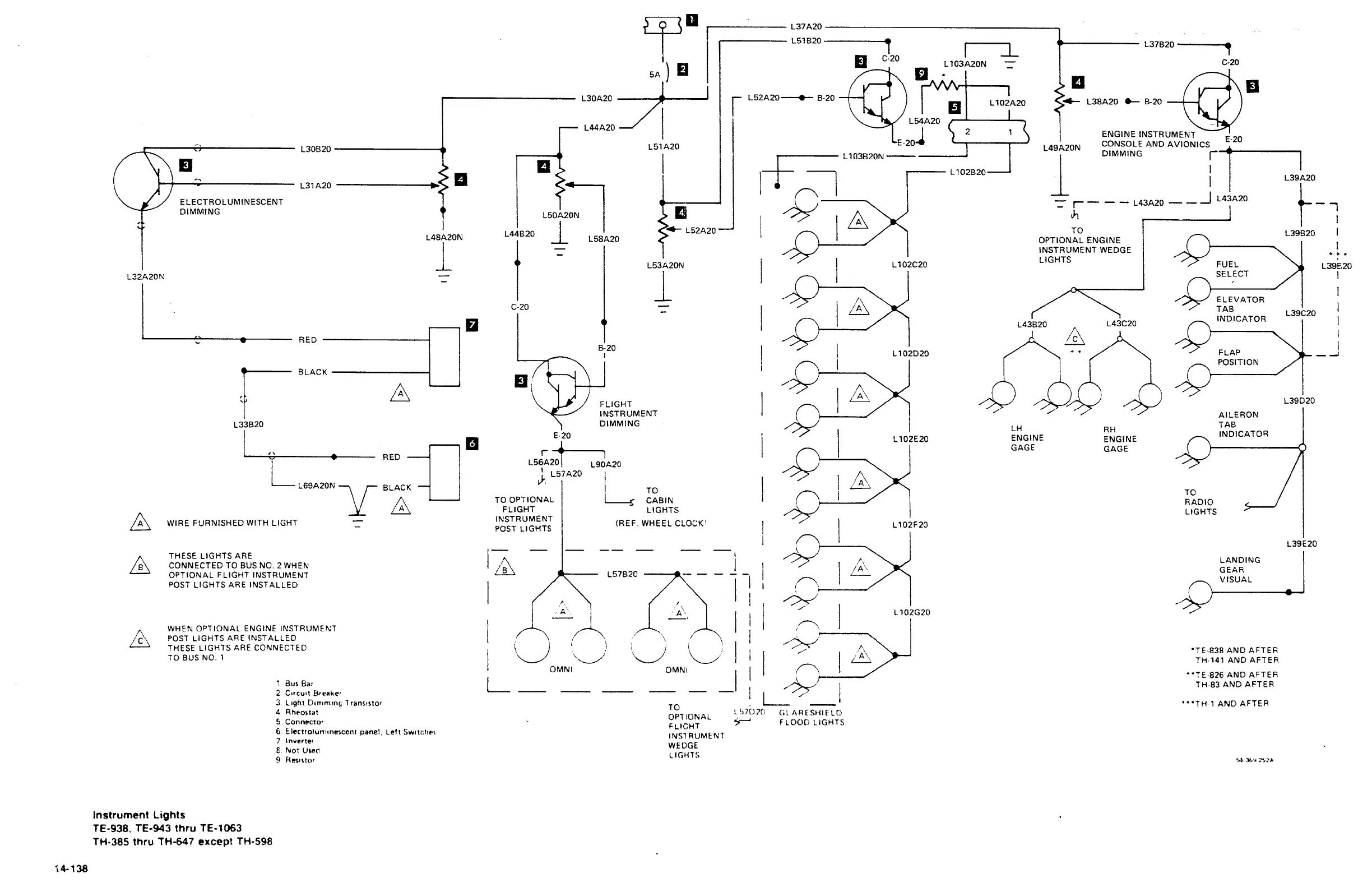
Lights
TE-938,
TE-943
thru
TE-1063
TH-385
thru
fH-647
srcept
TH-598
14-138

Table of Contents

Related product manuals