EasyManua.ls Logo

Raytheon Beech Baron E55 - Page 861

Raytheon Beech Baron E55
903 pages
Print Icon
To Next Page IconTo Next Page
To Next Page IconTo Next Page
To Previous Page IconTo Previous Page
To Previous Page IconTo Previous Page
Loading...
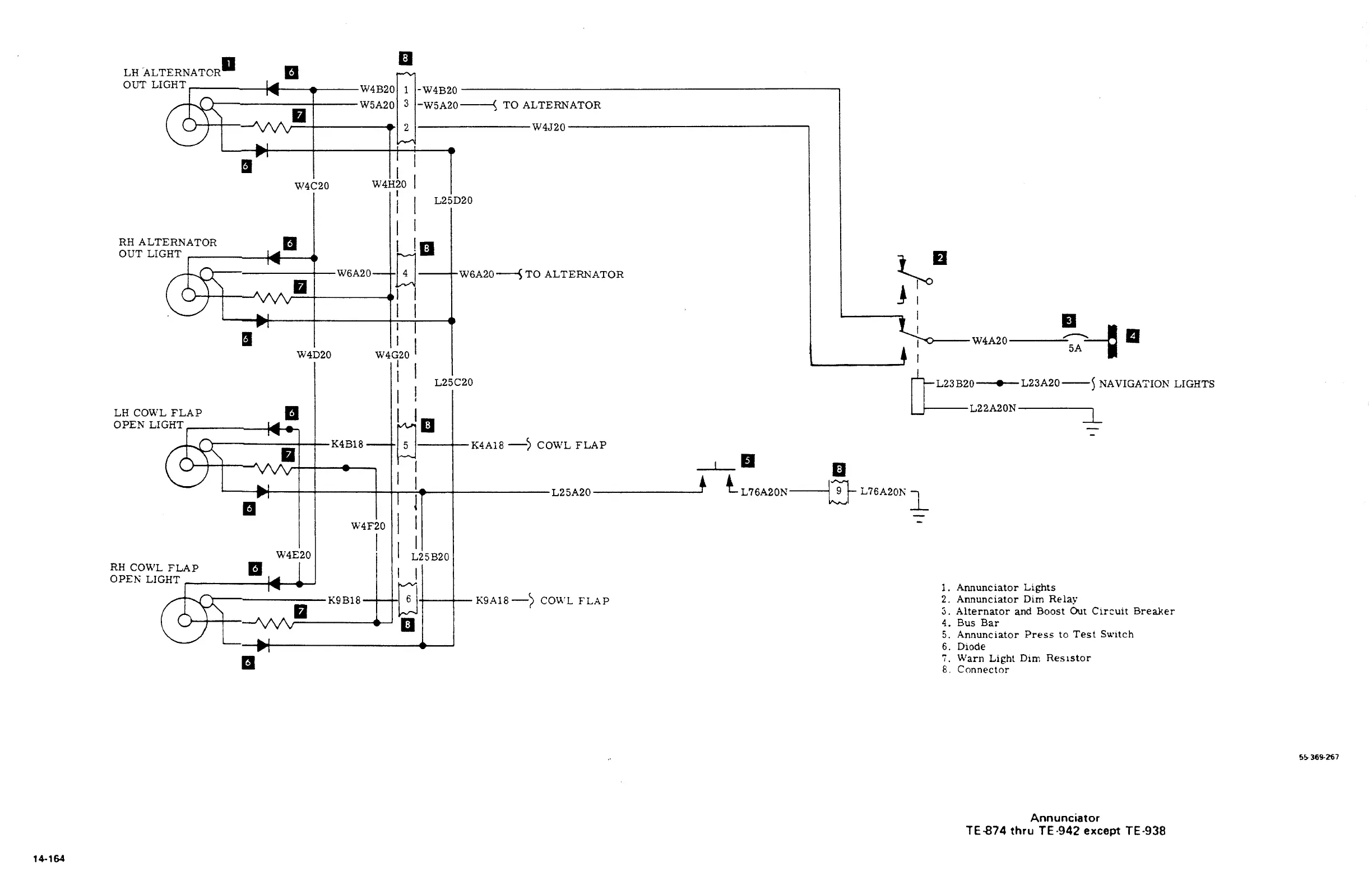
P
LH
~ALTERh’ATCRY
OUT
LIGHT
W4B20
W4B20
W5A20
W5A20~
TO
ALTERNATOR
W4J20
P
W4C20
W4H20
L25D20
RH
ALTERNATOR
IP
in
OUT
LIGHT
t~-g
W6A2
4
W6A20
´•--j
TO
ALTERNATOR
BI
I
i
I
I
1
W4A2
O
5A-0"
W4G20
L25C20
~L23BZO
LZ3A20-INAVIGA~.IOI\’
LdCHTS
I
f
LH
CO~L
FLAP
(P
o
L~--L22A20N
i
OPEhT
LIGHT
K4B18
----fl
5
K4A18
CO~’L
FLAP
--L-
P
L25A20
C
L76*211h’--j~-
L?B*ZOh.
1
a"
I
1
i
II
1
W4F20
W4E20
I
I
II
L25B20
RH
COU’L
FLAP
OPE~
LIGHT
1.
Annunciator
Lights
IC9B18
--C--C´•(
6
K9A18---)
COR’L
FLAP
2.
Annunciator
Dim
Relaq´•
P
5.
Alternator
and
Boost
Out
Cir=uit
Breaker
IP
4.
Bus
Bar
5.
Annunciator
Press
to
Test
Switch
6.
Diode
81
Dim
Reslrtar
65
369-267
Annunciator
TE-874
thru
TE´•942
except
TE´•938
14-164

Table of Contents

Related product manuals