EasyManua.ls Logo

Raytheon Beech Baron E55 - Page 862

Raytheon Beech Baron E55
903 pages
Print Icon
To Next Page IconTo Next Page
To Next Page IconTo Next Page
To Previous Page IconTo Previous Page
To Previous Page IconTo Previous Page
Loading...
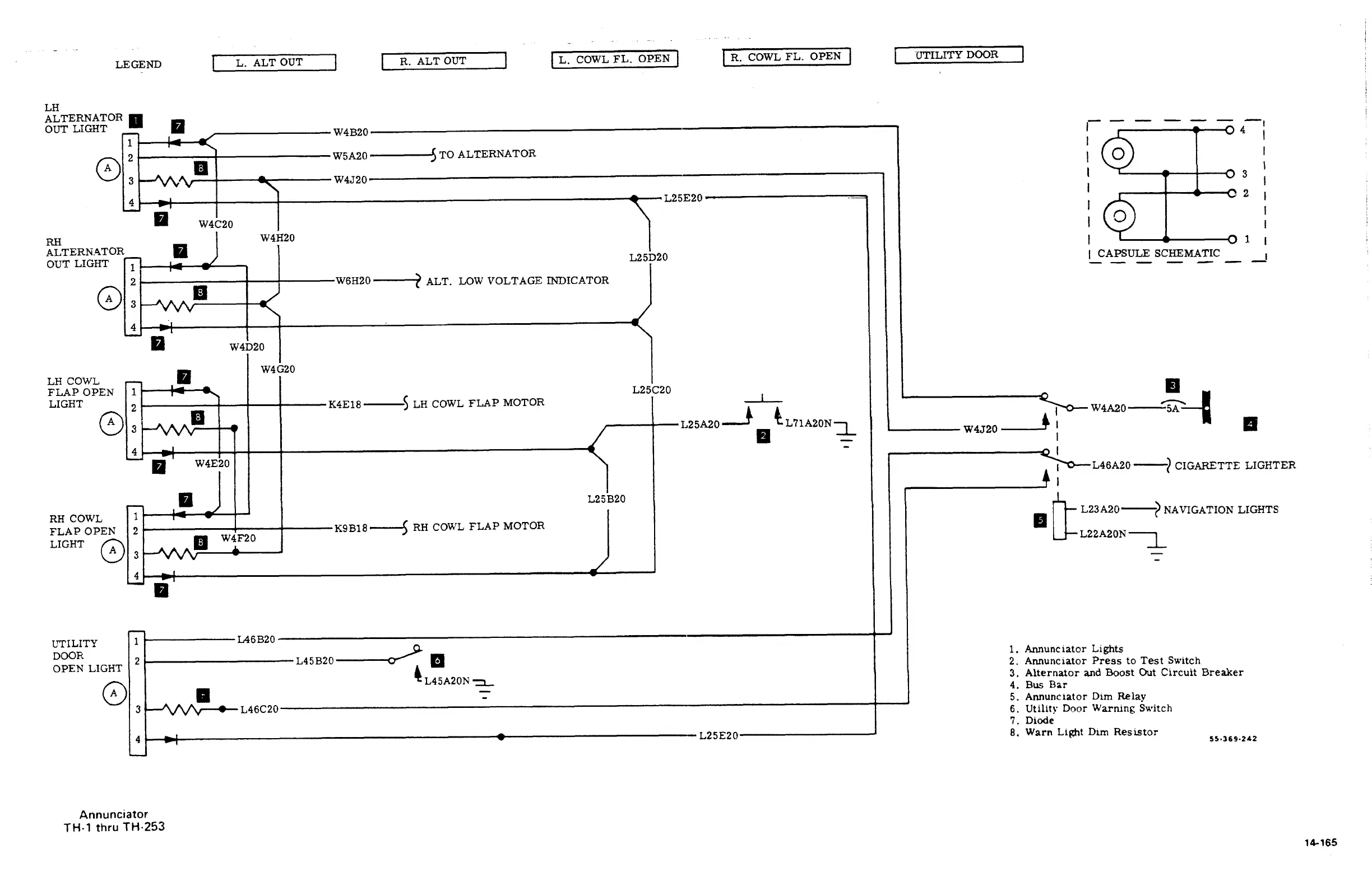
LEGEND
L.
ALT
OUT
R.
ALT
OUT
L.
COWL
FL.
OPEN
R.
COWL
FL.
OPEN
DOOR
I
UTILITY
DOOR
LK
ALTERNATOR
OUT
LIGHT
4
W4BZO
34
W4J20
L25E20
3
I
2
W5A20
-----l
TO
ALTERNATOR
A
IP
I
I
I I
I
~o
RH
W4H20
I I
I I
1
7~
1
ALTERNATOR
Q
L2
5i~20
I
I I
f
CAPSULE
SCHEMATIC
,I
OUT
LIGHT
I
2
W6H20
ALT.
LOW
VOLTAGE
INDICATOR
~1
3
P
P
W4D20
W4G20
LH
COWL
FLAP
OPEN
1
L25C20
-a
LIGHT
2
K4E18---S
LH
COWL
FLAP
MOTOR
O
P
L25A20
C
a
W4A20
5A
3
L71A20N
W4J20
IF1
W4E"OI
I I
I
I
,~--L46A20
------2
CIGARETTE
LIGHTER
L22A20N
L25B20
RH
COWL
1
L23A20--)
NAVIGATION
LIGHTS
FLAP
OPEN
2
K9B18----~
RH
COU’L
FLAP
MOTOR
LIGHT
olJCy~
W4F20
-L
I
4,
I I
i
II
ITTILITY
1
L46B20
i.
Annunciator
Lights
DOOR
2
L45B20
2.
Annunciator
Press
to
Test
Sw´•itch
OPEN
LIGHT
L45A20N
3.
Alternator
and
Boost
Out
Circuit
Breaker
4.
Bus
Bar
5.
Annunciator
Dim
ReiaJT
3
L46C20
6.
Utilitv
Door
Warning
Saitch
7.
Diode
41
L25E20
8.
Warn
L~efit
Dim
Resistor
~5´•369´•2*2
Annunciator
TH-1
thru
TH´•253
14-165

Table of Contents

Related product manuals