EasyManua.ls Logo

Raytheon Beech Baron E55 - Page 864

Raytheon Beech Baron E55
903 pages
Print Icon
To Next Page IconTo Next Page
To Next Page IconTo Next Page
To Previous Page IconTo Previous Page
To Previous Page IconTo Previous Page
Loading...
CONNECTOR
TO
ALTERNATOR
w~7-
L
E~T
ALTERNATOR
W15C20
1
C
W15820
_1
I
wsla
OUTIIGHT
a=
’6128101
I
2rW13AZO
I
-1
I
1
~--W16A10
L03A10
RIGHT
ALTERNATOR
W16820
OU1
LIOHI
W16CZO
3
W1SA10
W14820
4
W14A20
L93820
lo~-19JAlO
WIIA1D
;RT?.?
GEARI
-L
LP?I1ON--(
ll~--L91*10H
I
i
WlfA20
~61
PRESS
TO
7557
SWITCHI
L-,------l
wi242
W17C20
5W17820
W17A10i
TERMINAL
80480
DOOR
AJAR
(II=.
1
GEAR
POSITION
RtF.LANDING
L~
L46010
6
L46820
IN
DICITOI1
´•CiGARfTTf
LIGHTER
AND
r)
DOOR
DOOR
ANNUNCIATOR
L45820
j
AJAR
NC
P
D(M
Ptl*T
~Li
wii*,~
SWITCH
~L.
~45*10N
14CIZO
_L
46*20
WlllP~20
41
ALTERNATOROUT
4
NOT
USED
855
AND
E55
CIRCUIT
8lt48El
WI0A20
54-
4
WIRE
CODES
USED
ON
855
AIRCRAFT
L
W12*10
WIOA10
POSITION
INDICATOP
LANDING
GEAR
t
855
ONLI
~Zlll
TO
r
iP3*20~
NAVIGATION;
TC-lbOB
AND
AFTER
r--5A--
LP?*I~N´•´•
LIGHTS
L22420N7_
L-
L-
WIOA10
THROTTLE
W*RNINOI
CIRCUIT
88148181
L
_1
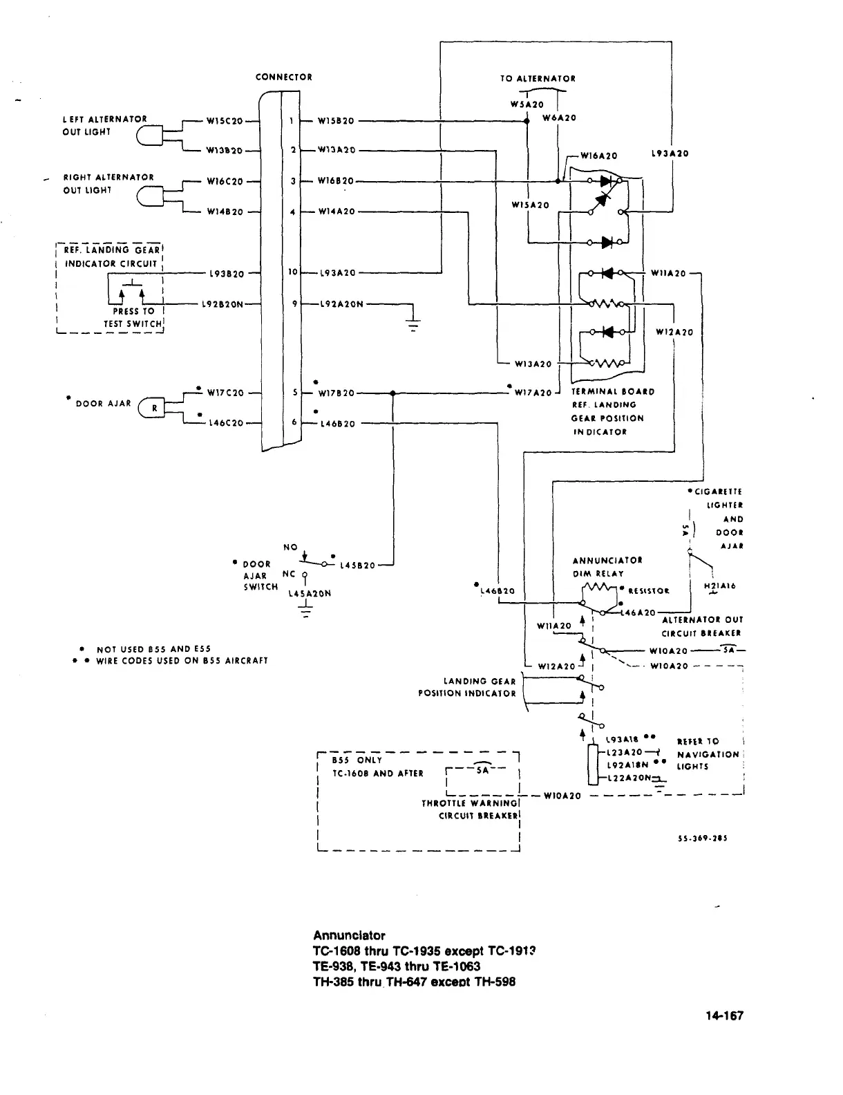
Annunciator
TG1608
thru
TC-1935
except
TC-1913
TE-938,
TE-943
thru
TE-1063
TK385
lhruTH-647
except
TK598
teim

Table of Contents

Related product manuals