EasyManua.ls Logo

RCO R-COD 500 - Mounting and Installation; R-COD 500 IR Mounting Considerations; Surface Mounting

RCO R-COD 500
14 pages
Print Icon
To Next Page IconTo Next Page
To Next Page IconTo Next Page
To Previous Page IconTo Previous Page
To Previous Page IconTo Previous Page
Loading...
R-COD 500 & R-COD 500 IR
MOUNTING
5
Mounting
Keep in mind when mounting R-COD 500 IR
Position the code lock so that the IR
receiver (on the right side of the front
panel) is clearly visible from the where
the IR transmitter is to be used.
Do not mount the code lock in a
position where direct sunlight hits the
IR receiver.
Do not position the code lock near light
sources such as fluorescent lamps or
low-energy lamps.
If access codes 58 are
not
going to be
time-controlled, pins 3 and 4 on
terminal P1 must be connected.
Otherwise the codes will not work.
Contact mail services, newspaper
delivery services and others to inform
them that an IR reader is installed at
the door.
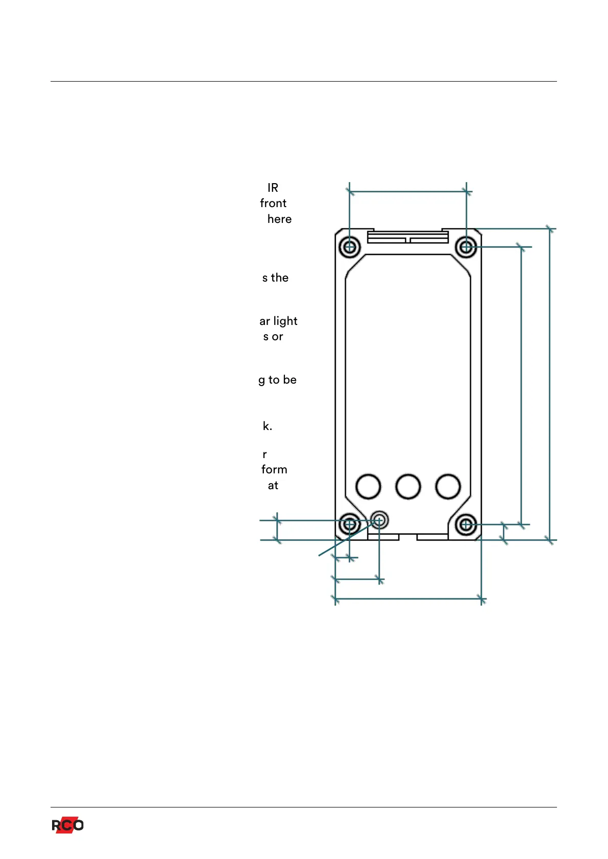
Surface mounting
(Applies to both R-COD 500 and
R-COD 500 IR.)
The drawing shows the most
commonly used measurements on the
mounting plate. All measurements are given
in millimetres.
The mounted unit measures 70 x 144 x 37 mm.
Sabotage-
kontakt
52
20
66
6,7
8,7
125
139,7
7

Related product manuals