EasyManua.ls Logo

Real Flame ELEMENT 1200 - WIRING DIAGRAM

Real Flame ELEMENT 1200
72 pages
Print Icon
To Next Page IconTo Next Page
To Next Page IconTo Next Page
To Previous Page IconTo Previous Page
To Previous Page IconTo Previous Page
Loading...
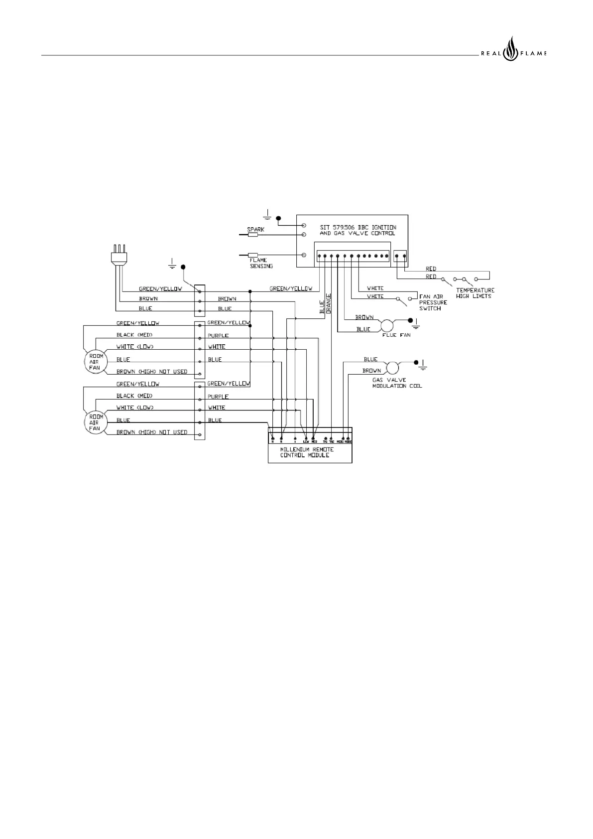
WIRING DIAGRAM
57

Other manuals for Real Flame ELEMENT 1200

Related product manuals