EasyManua.ls Logo

Realistic PRO-2020 - Component Identification

Realistic PRO-2020
38 pages
Print Icon
To Next Page IconTo Next Page
To Next Page IconTo Next Page
To Previous Page IconTo Previous Page
To Previous Page IconTo Previous Page
Loading...
INTEGRATED
CIRCUIT
LEAD
IDENTIFICATION
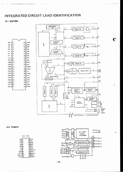
IC-' GRE7954
P03
()
P23
P22
" 3
38
P12
37
P43
Pll
36
P42
Pl O
35
P4'
POB7
34 P40
POss
11
'
064
30
TEST
P06 2
14
29 CK
(P0 7l
POSl 15
28
XQUT
' 06 0
18
27
XIN
P054
"
P052
' 9
20
23
P'50
GNO
21
22
P0 50
~
-
,.
(C-2 TC5501P
A2
021
A4
A1 3
2QR
fW
A0 4
,gffi
AS S 18 0 0
04(
,6
17 CE2
A7 7 16 D OUT 4
GNO e 15 [) N4
OlN
19
14 00 UT J
DoUT
11D
13Q1
N J
DI
N:zll
12 00u T 2

Related product manuals