EasyManua.ls Logo

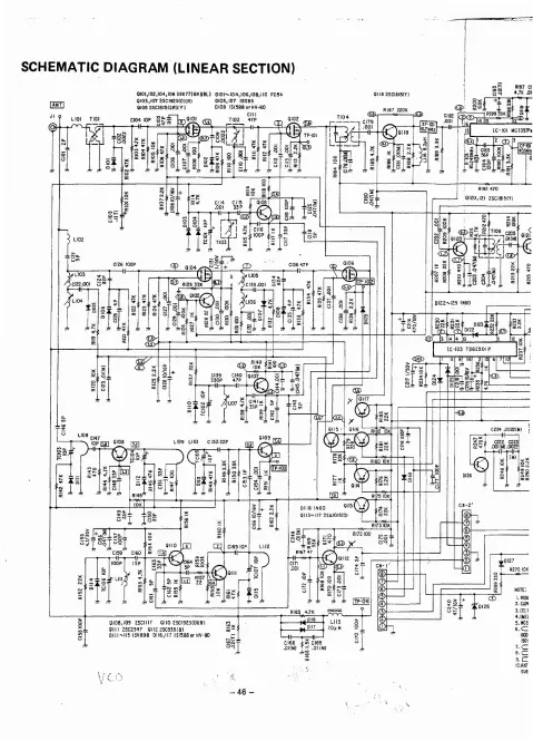
Realistic PRO-2020 - SCHEMATIC DIAGRAM (Linear SECTION)

Realistic PRO-2020
38 pages
Print Icon
To Next Page IconTo Next Page
To Next Page IconTo Next Page
To Previous Page IconTo Previous Page
To Previous Page IconTo Previous Page
Loading...
SCHEMATIC DIAGRAM (LiNEAR SECTION)
V(
\~
)

Related product manuals