EasyManua.ls Logo

Regada ST 0 - Page 35

Regada ST 0
43 pages
Print Icon
To Next Page IconTo Next Page
To Next Page IconTo Next Page
To Previous Page IconTo Previous Page
To Previous Page IconTo Previous Page
Loading...
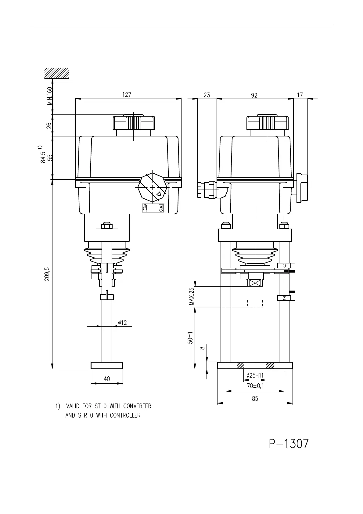
ST 0, STR 0 33
Flange

Related product manuals