EasyManua.ls Logo

Regada ST 0 - Description

Regada ST 0
43 pages
Print Icon
To Next Page IconTo Next Page
To Next Page IconTo Next Page
To Previous Page IconTo Previous Page
To Previous Page IconTo Previous Page
Loading...
6 ST 0, STR 0
1.6.3 Power supply:
electric motor............................................................... 230 / 220 V AC ±10%, or 24 V AC/DC ±10%
control ......................................................................... 230 / 220 V AC ±10%, or 24 V AC/DC ±10%
potentiometer ................................................................................................. max. PxR V DC/AC
electronic positional transmitter without power supply ........................ 15 up to 30 V DC, or 24 V DC
Power supply frequency .............................. 50 Hz or 60* Hz ± 2%
* Note: At frequency of 60 Hz operating speed is increased by 1.2 times.
Duty cycle (according to EN/IEC 60034-1, 8):
EA ST are designed for remote control:
short-time operation S2-10 min
intermitted operation S4-25%, 6 up to 90 cycles per hour
EA STR are designed for automatic regulation:
intermitted operation S4-25%, 90 up to 1200 cycles per hour
Note:
EA STR is possible connect with external controller and use it as regulated EA and for this EA stand duty cycle
and power parameters like for type STR with built-in controller .
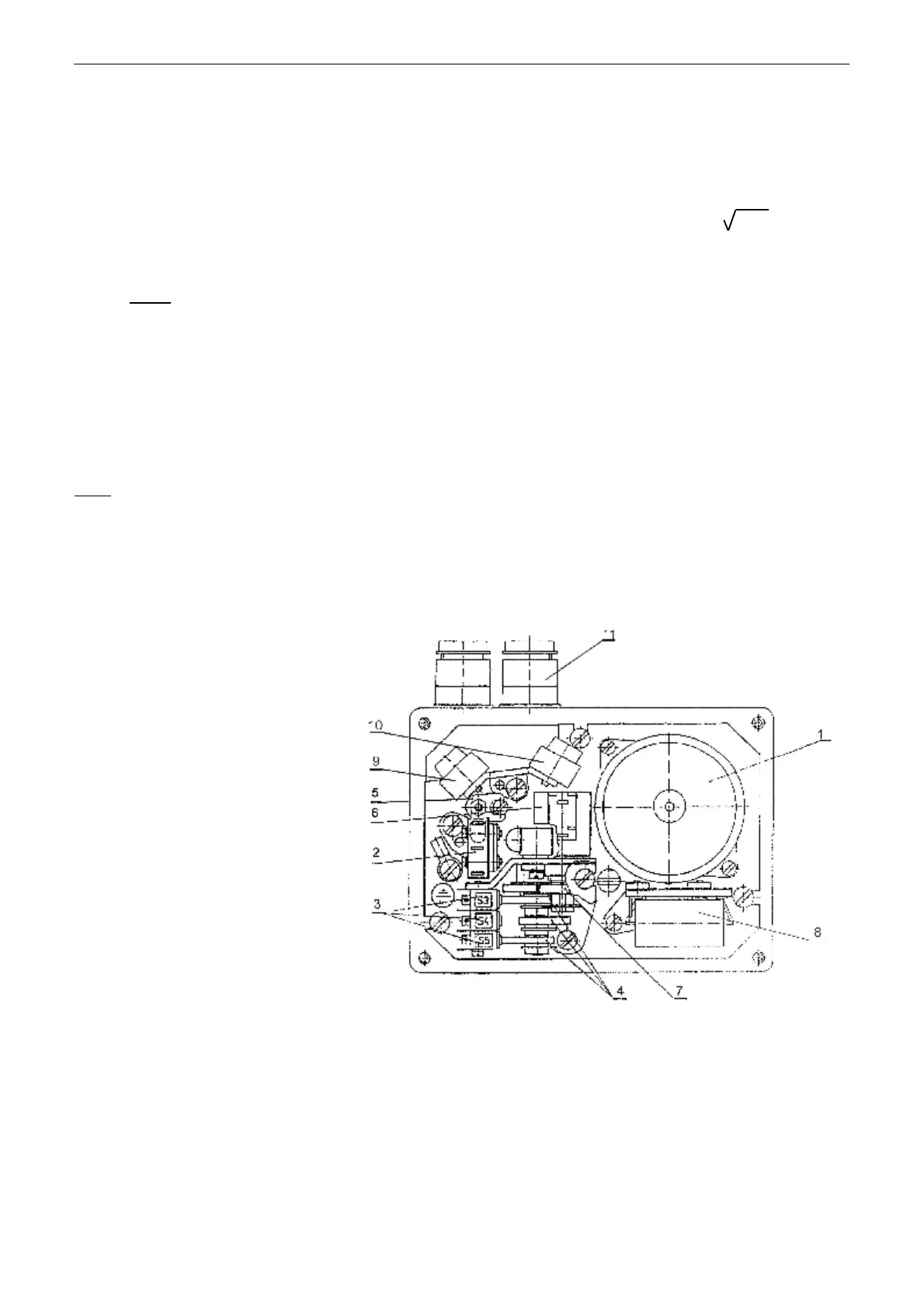
1.7 Description
The ST electric actuators are designed for automotive position control of linear valves where
relatively small control thrust is
required. They can be also used in
air-conditioning, heating as well as
in technological systems.
The actuators are driven with
an electric motor (1) fed and
controlled through two thrust
switches (2). The thrust switches
are switched with a finger (5). The
position switches are switched with
motion of the cams (4).
The actuators are controlled
with connection of voltage to the
corresponding actuator terminals. If
the voltage is connected to the
terminals 1 and 12 of the two-
thrusts version (the thrust switches
S1 and S2), or 1 and 20 ones in
case of the one-thrust version (the
position switch S3 and the thrust
switch S2), the actuator output part
performs linear motion in the
direction opening. The motion in the direction closing can be reached with connection of voltage to
the terminals 1 and 16.
In accordance with the order the control part can also contain a position transmitter (6) (resistive
or with the unified current or voltage output signal) functioning as a feedback or as a remote position
transmitter. The remote position transmitter with the unified output signal consists of the 2000
resistive transmitter and the electronics board. The transmitter rotation is derived from the output shaft
through the gear wheels system (7).
In case of mains failure or switches damages the actuator can be operated manually following
the instructions given in the chapter 4. Service... .
The STR version is equipped with an electronic controller.
Fig.1

Related product manuals