EasyManua.ls Logo

RIB K1400 Plus - Manutenzione

RIB K1400 Plus
Print Icon
To Next Page IconTo Next Page
To Next Page IconTo Next Page
To Previous Page IconTo Previous Page
To Previous Page IconTo Previous Page
Loading...
7
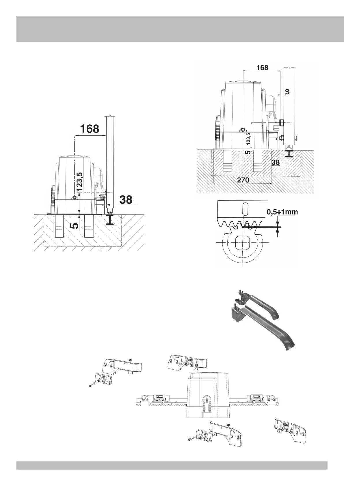
FISSAGGIO MOTORE E CREMAGLIERA
I fori per il fissaggio della cremagliera in nylon devono essere eseguiti a 123,5 mm
rispetto all’appoggio del motore (a 130 mm per la cremagliera in ferro).
Questa altezza può essere variata grazie a delle asole presenti sulla cremagliera.
La registrazione dell’altezza viene fatta affinché il cancello, durante il movimento, non si
appoggi sull’ingranaggio di trazione del K (5 e 6).
Per fissare la cremagliera in nylon al cancello, eseguire dei fori di Ø 5 mm e filettarli
utilizzando un maschio M6 (Ø 7 mm e M8 per la cremagliera in ferro).
L’ingranaggio di traino deve avere circa 1 mm di agio rispetto alla cremagliera.
FISSAGGIO FINECORSA
Per determinare la corsa della parte mobile si devono posizionare due camme
alle estremità della cremagliera (7-8).
La regolazione della corsa di apertura e chiusura, si ottiene spostando le medesime sui
denti della cremagliera.
Per bloccare le camme alla cremagliera avvitare a fondo le viti in dotazione.
N.B: Oltre alle camme di fermo elettrico sopraesposte è obbligatoria l’installazione di
fermi meccanici robusti che non permettono la fuori uscita del cancello dalle guide
superiori.
MANUTENZIONE
Da effettuare solamente da parte di personale specializzato dopo aver tolto
l’alimentazione elettrica al motore.
Pulire periodicamente, a cancello fermo, la guida di scorrimento da sassi e altra sporcizia.
7
5
6
Misure in mm
Misure in mm
I
K FCM
K FCE
8

Other manuals for RIB K1400 Plus

Related product manuals