EasyManua.ls Logo

Riello F3 - Exploded Spare Parts List

Riello F3
44 pages
Print Icon
To Next Page IconTo Next Page
To Next Page IconTo Next Page
To Previous Page IconTo Previous Page
To Previous Page IconTo Previous Page
Loading...
GB
2903223
14
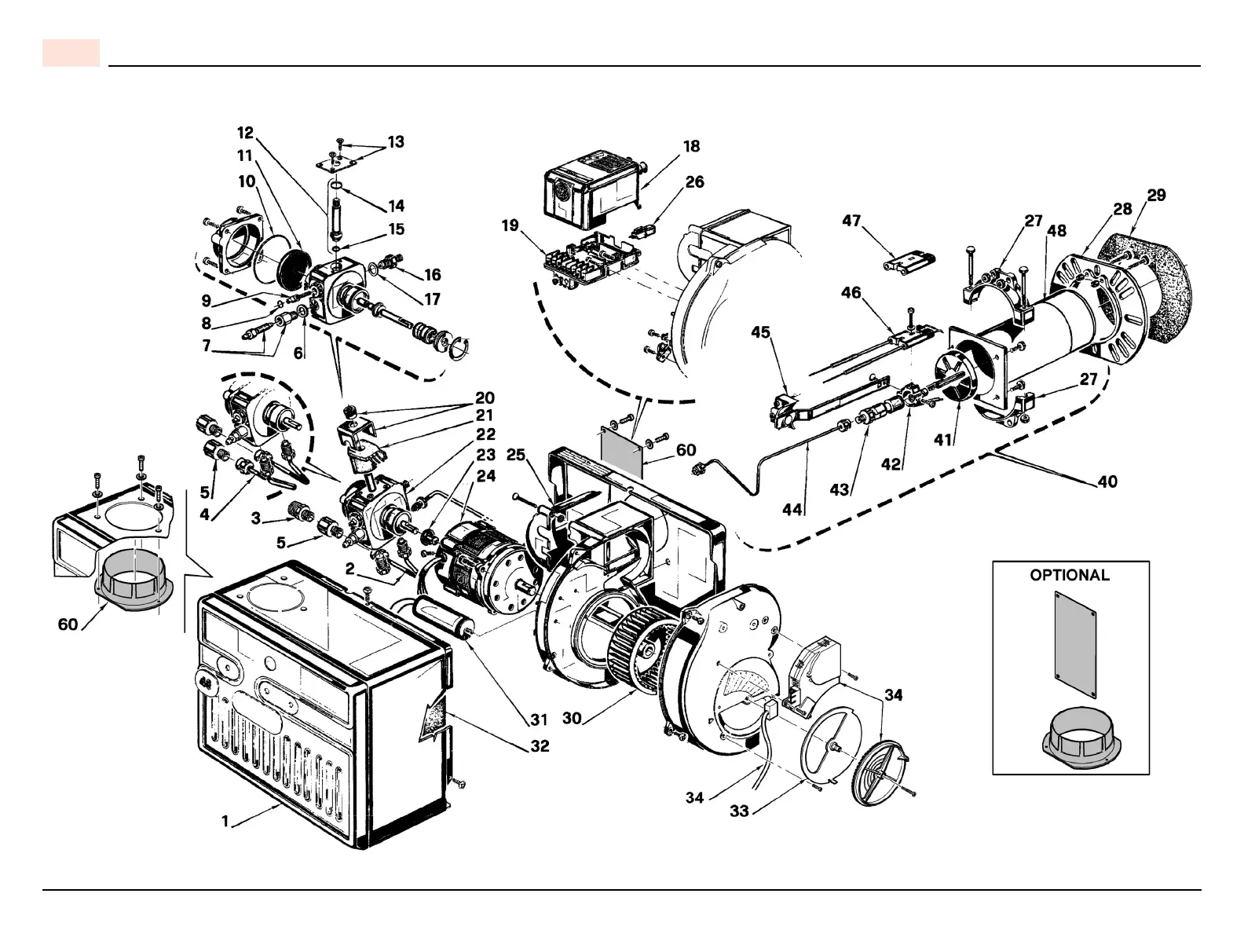
EXPLODED SPARE PARTS LIST

Other manuals for Riello F3

Related product manuals