EasyManua.ls Logo

Riello G200 - FACTORY WIRING DIAGRAM; FIELD WIRING DIAGRAM

Riello G200
24 pages
Print Icon
To Next Page IconTo Next Page
To Next Page IconTo Next Page
To Previous Page IconTo Previous Page
To Previous Page IconTo Previous Page
Loading...
3254
9
GB
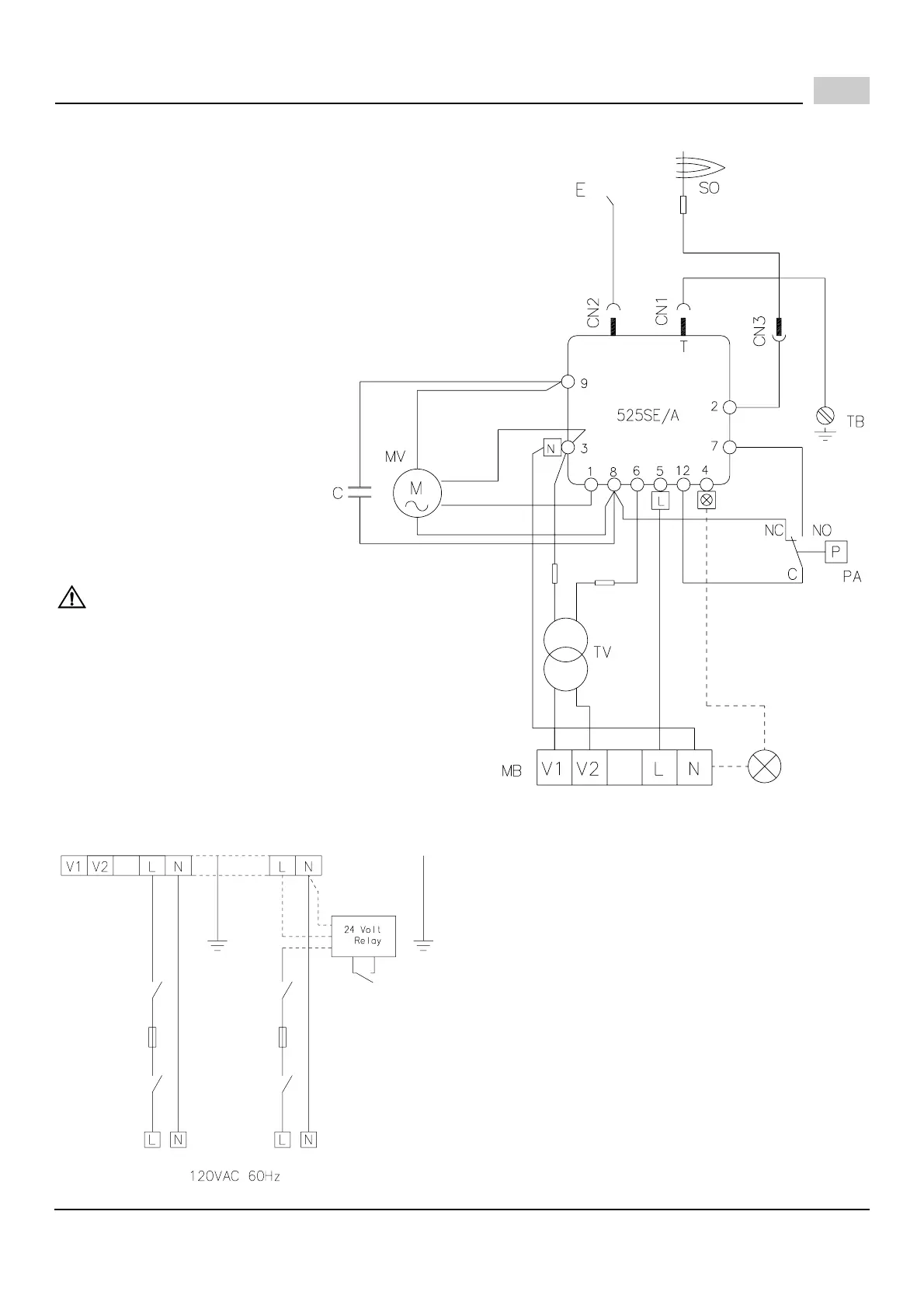
FACTORY WIRING DIAGRAM
NOTE:
The SAFETY SWITCH on the 525SE CONTROL BOX is
equipped with a contact allowing remote sensing of burner
lockout.
The electrical connection is located on the CONTROL BOX ter-
minal 4 as indicated. Should burner lockout occur, the 525SE
CONTROL BOX will supply a power source of 120 Vac to the
connection terminal.
The maximum allowable current draw on this terminal is 1A.
Blue
White
Black
D4703
LEGEND
C - Capacitor
CN... - Connectors
E - Ignition electrode
MB - Terminal board
MV -Motor
PA - Air pressure switch
SO - Ionization probe
TB - Burner earth
TV - Transformer 24V
Brown
Control box
Remote
lock-out
signal
Fuse Fuse
Service
D4704
switch
Service
switch
120V controlled 24V controlled
Operating
control
TB
TB
Operating
control
FIELD WIRING DIAGRAM
IMPORTANT:
Terminal 4 is to be used only for the connection of a
remote sensing device.
If a neutral or ground lead is attached to terminal 4,
the control box will be damaged should lockout occur.

Other manuals for Riello G200

Related product manuals