EasyManua.ls Logo

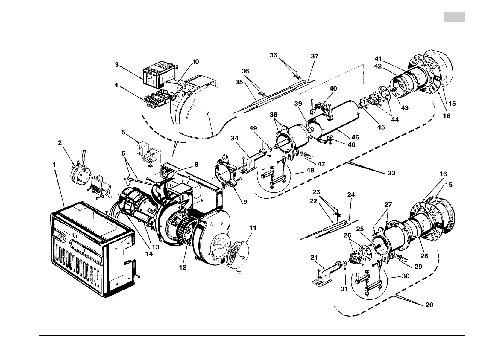
Riello G200 - Spare Parts; Spare Parts List

Riello G200
24 pages
Print Icon
To Next Page IconTo Next Page
To Next Page IconTo Next Page
To Previous Page IconTo Previous Page
To Previous Page IconTo Previous Page
Loading...
18
GB
SPARE PARTS

Other manuals for Riello G200

Related product manuals