EasyManua.ls Logo

Riello G200 - INSTALLATION OF SEDIMENT TRAP AND BURNER SUPPLY

Riello G200
24 pages
Print Icon
To Next Page IconTo Next Page
To Next Page IconTo Next Page
To Previous Page IconTo Previous Page
To Previous Page IconTo Previous Page
Loading...
3254
8
GB
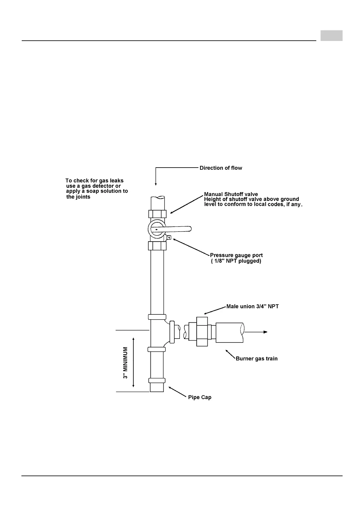
INSTALLATION OF SEDIMENT TRAP AND BURNER SUPPLY
Gas piping to the burner must be
1
/
2
-inch minimum. Install only a full-ported shutoff valve. The valve must be lo-
cated outside the appliance jacket, and the pressure gauge port must be accessible.
PRESSURE TEST-OVER
1
/
2
PSIG.
The appliance and its individual shutoff valve must be disconnected from the gas supply piping system during any
pressure testing of the system at a test pressure in excess of
1
/
2
PSIG.
PRESSURE TEST-
1
/
2
PSIG OR LESS
The appliance must be isolated from the gas supply piping system by closing its individual manual shutoff valve
during any testing of the gas supply piping system at test pressures equal to or less than
1
/
2
PSIG.

Other manuals for Riello G200

Related product manuals