EasyManua.ls Logo

Riello RS 45/E BLU - Page 45

Riello RS 45/E BLU
56 pages
Print Icon
To Next Page IconTo Next Page
To Next Page IconTo Next Page
To Previous Page IconTo Previous Page
To Previous Page IconTo Previous Page
Loading...
45
GB
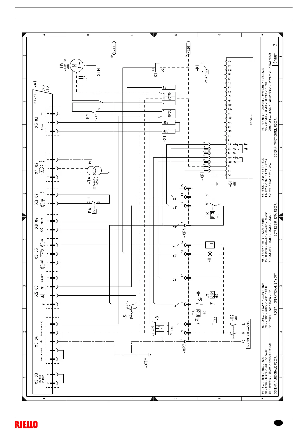
Appendix - Electrical panel layout
A

Table of Contents

Related product manuals