EasyManua.ls Logo

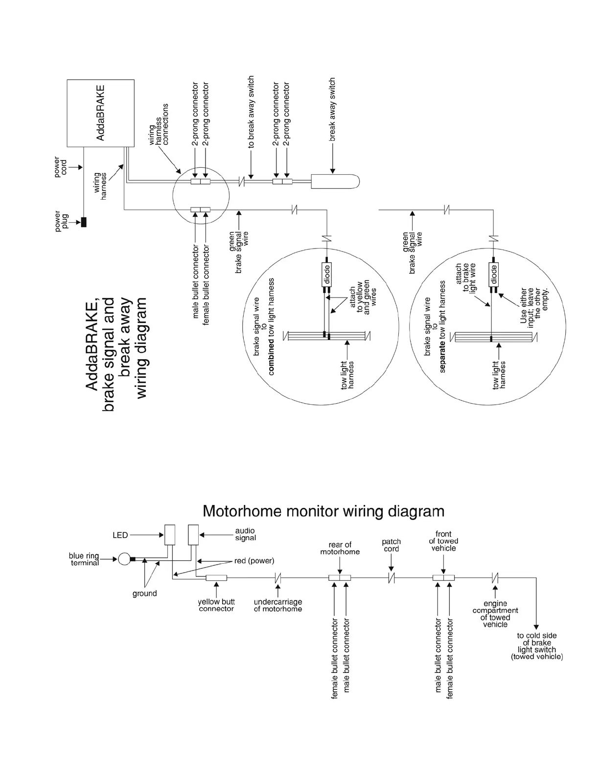
Roadmaster AddaBRAKE 8800 - Wiring Diagrams

Roadmaster AddaBRAKE 8800
32 pages
Print Icon
To Next Page IconTo Next Page
To Next Page IconTo Next Page
To Previous Page IconTo Previous Page
To Previous Page IconTo Previous Page
Loading...
3